Prodotti destinati all’industria.
Condizioni generali di vendita disponibili sul sito
www.camozzi.com.
1
Cilindri Serie 32 - Tandem - Più posizioni
MOVIMENTO >
CATALOGO
>
Release 8.8
/1.31.03
1
MOVIMENTO
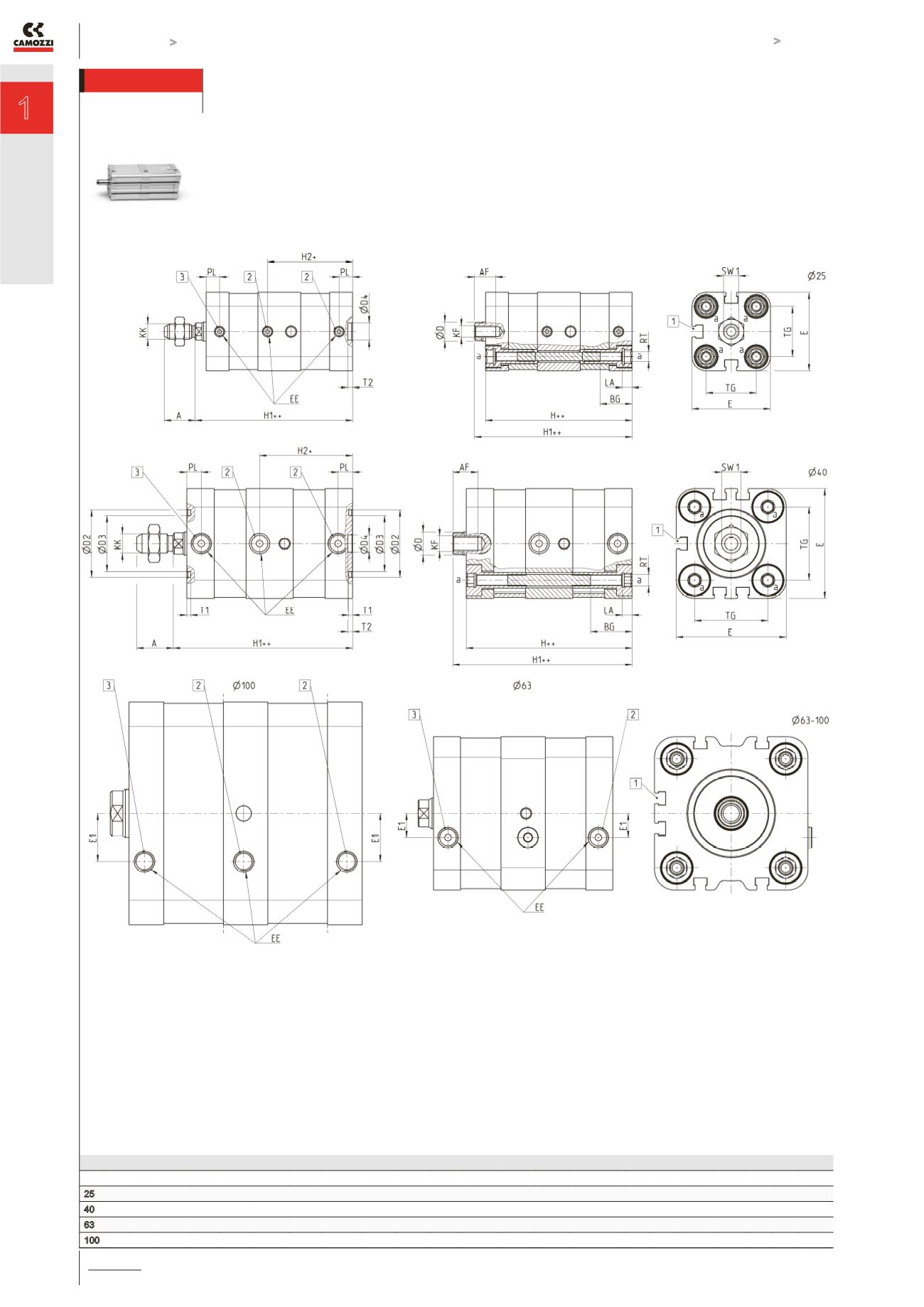
Cilindri Tandem Mod. 32F2A/32M2A...N2
INGOMBRI
Ø A AF BG ØD ØD2 ØD3 ØD4 E EE E1 H H1 H2 KF
KK LA PL RT SW1 T1 T2 TG
25 16 11 16,5 10 -
-
9 40,7 M5
-
76 81,7 44 M6 M8X1,25 5 7 M5 8 -
2,5 26
40 19 13 21,5 12 35 29
9
57 G1/8 -
86 93 48,2 M8 M10X1,25 5 7,6 M6 10 2 2,5 38
63 22 16 18,5 16 45 39 12 79,6 G1/8 12’5 93 101
-
M10 M12X1,25 6 7,6 M8 13 2 3 56,5
100 28 20 20 25 55 49 12 115,6 G1/8 25 121 130,7 -
M12 M16X1,5 6 8 M10 22 2 3 89
+ = sommare la corsa
++ = sommare due volte la corsa
1 = Scanalatura per sensore
2 = Avanzamento cilindri
3 = Ritorno cilindri




