Prodotti destinati all’industria.
Condizioni generali di vendita disponibili sul sito
www.camozzi.com.Cilindri rotanti Serie 69
CATALOGO
1
/6.10.04
1
>
Release 8.8
MOVIMENTO >
MOVIMENTO
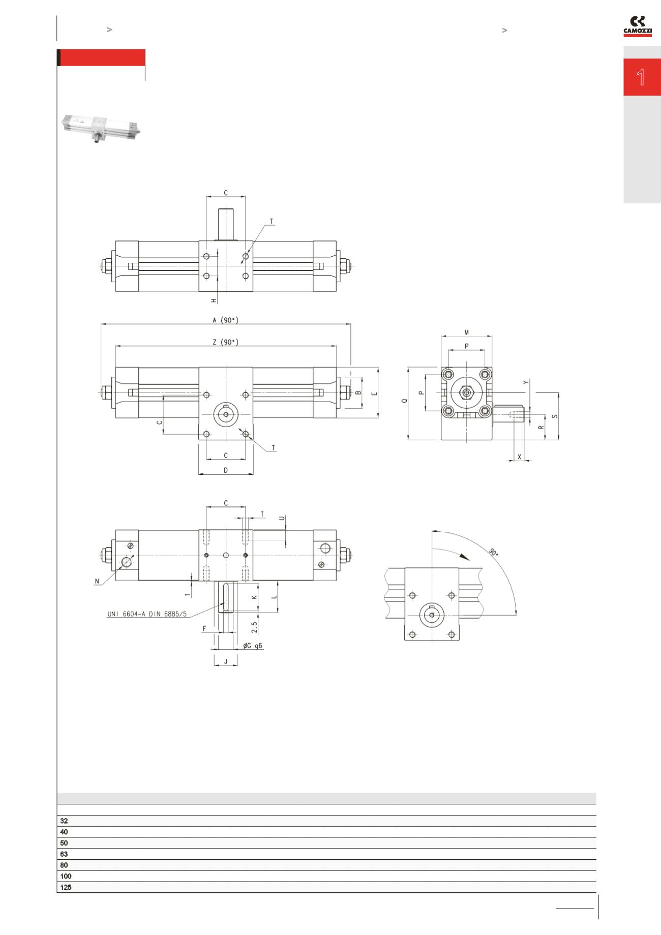
Cilindri Serie 69 - versione maschio
INGOMBRI
Ø A B ٭
C D E F G H J K L M N P
Q R S T U Y X Z
32 249 30 47 33 50 46 5 14 18 25 25 31 50 G1/8 32,5 71,5 25 46,5 M6 10 M5 12,5 219
40 295 35 56,5 40 60 55 5 14 22 25 25 31 60 G1/4 38
82
30 54,5 M6 10 M5 12,5 263
50 316 40 63 50 70 64,5 6 19 25 30 35 41 65 G1/4 46,5 94 32,5 60,5 M8 13 M6 16 282
63 357 45 74,5 60 75 75 8 24 35 30 35 41 75 G3/8 56,5 110 37 70,8 M8 13 M8 19 325
80 443 45 99 80 99 93 8 28 50 45 45 51 99 G3/8 72 142 50 93,5 M10 16 M8 19 404
100 472 55 107 80 115 110 10 38 60 50 45 51 115 G1/2 89 156,5 54 99 M10 16 M10 22 434
125 549 60 132 90 125 135 10 38 70 60 45 51 140 G1/2 110 188 60 118 M12 20 M10 22 505
* incremento dei valori “A” e “Z” per ogni aumento di 90° della
rotazione




