Prodotti destinati all’industria.
Condizioni generali di vendita disponibili sul sito
www.camozzi.com.
1
Freni Serie 43
MOVIMENTO >
CATALOGO
>
Release 8.8
/10.05.04
1
MOVIMENTO
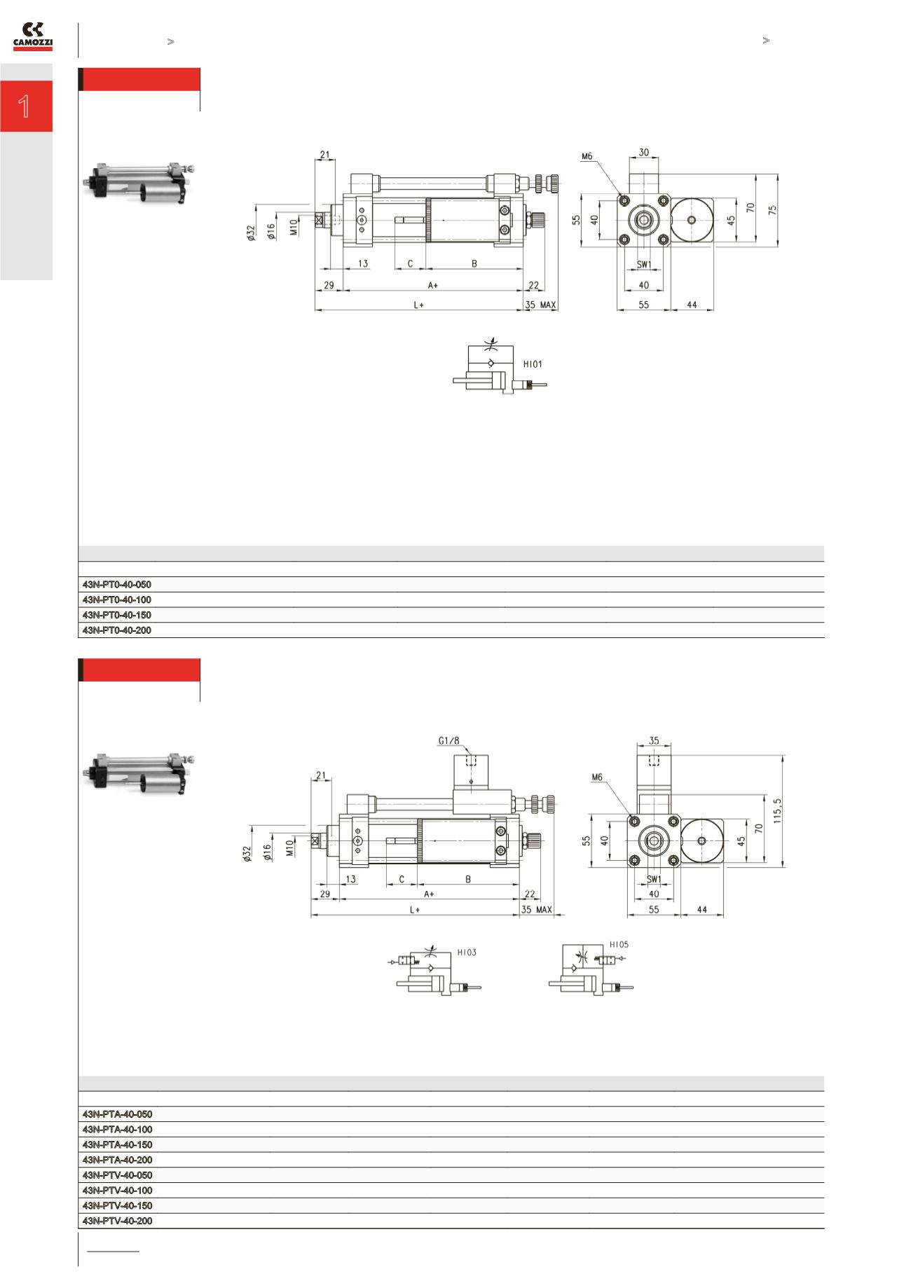
Freni idraulici Mod. 43N-PT0-40
Solo su richiesta
INGOMBRI
Mod.
Corsa (mm)
A+
B
C
L+
SW1
43N-PT0-40-050
50
85
100
32
114
13
43N-PT0-40-100
100
85
105
32
114
13
43N-PT0-40-150
150
85
125
47
114
13
43N-PT0-40-200
200
85
125
47
114
13
+ = sommare la corsa
Freni idraulici Mod. 43N-PTA-40 e 43N-PTV-40
INGOMBRI
Mod.
Corsa (mm)
A+
B
C
L+
SW1
Simbolo pneumatico
43N-PTA-40-050
50
85
100
32
114
13
HI05
43N-PTA-40-100
100
85
105
32
114
13
HI05
43N-PTA-40-150
150
85
125
47
114
13
HI05
43N-PTA-40-200
200
85
125
47
114
13
HI05
43N-PTV-40-050
50
85
100
32
114
13
HI03
43N-PTV-40-100
100
85
105
32
114
13
HI03
43N-PTV-40-150
150
85
125
47
114
13
HI03
43N-PTV-40-200
200
85
125
47
114
13
HI03
+ = sommare la corsa




