Prodotti destinati all’industria.
Condizioni generali di vendita disponibili sul sito
www.camozzi.com.
1
Cilindri Serie 6PF
MOVIMENTO >
CATALOGO
>
Release 8.8
/1.27.04
1
MOVIMENTO
INFORMAZIONI GENERALI
Per un corretto funzionamento è necessario usare
il potenziometro come partitore di tensione e non
come resistenza variabile. La misura deve essere
effettuata rilevando la tensione e non la resistenza.
Il collegamento elettrico deve essere effettuato ad
un ingresso ad alta impedenza.
Informazioni riguardanti la piedinatura si possono
trovare sul foglio istruzioni o direttamente sul
prodotto.
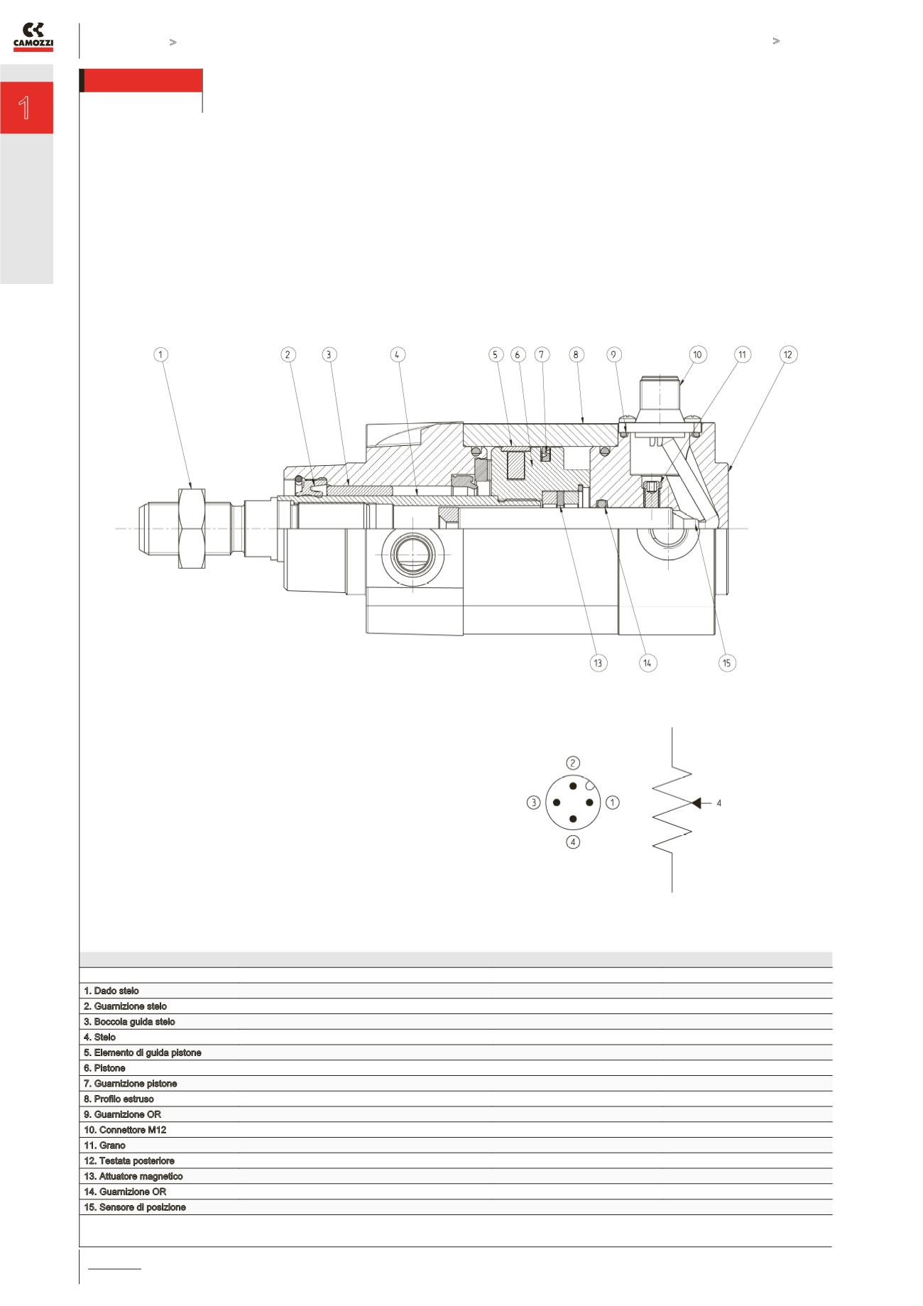
ELENCO COMPONENTI
PARTI
MATERIALI
1. Dado stelo
Acciaio
2. Guarnizione stelo
NBR
3. Boccola guida stelo
Bronzo sinterizzato
4. Stelo
Acciaio cromato
5. Elemento di guida pistone
Resina acetalica
6. Pistone
Alluminio
7. Guarnizione pistone
NBR
8. Profilo estruso
Alluminio anodizzato
9. Guarnizione OR
NBR
10. Connettore M12
Ottone nichelato
11. Grano
Acciaio
12. Testata posteriore
Alluminio
13. Attuatore magnetico
Neodimio
14. Guarnizione OR
NBR
15. Sensore di posizione
-
NOTA DISEGNO CONNETTORE:
1, 3 = tensione in ingresso
4 = segnale in uscita
2 = non usato




