Prodotti destinati all’industria.
Condizioni generali di vendita disponibili sul sito
www.camozzi.com.Cilindri Serie QP - QPR
CATALOGO
1
/2.10.07
1
>
Release 8.8
MOVIMENTO >
MOVIMENTO
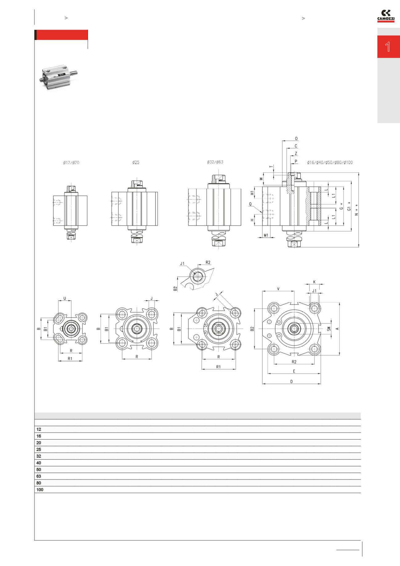
Cilindri corsa breve Serie QP
NB: La battuta meccanica di fine corsa dei cilindri
deve essere predisposta esternamente.
INGOMBRI
Ø A B B1 B2
Ø
C
h 8
D E G+ G1+ H1 H J J1 K L L1 M M1 N + +
Ø
O P Q R R1 R2 SW T U V Z
12 23.8 15.5 13 -
6 25 25 34.5 34.5 12.3 12.3 3.5 -
5.8 3 -
5.5 4.5 41 -
M3 M5 15.5 16.75 - 5 - 9 13.15 -
16 29 20 - -
8 29 29 38 38.8 10.9 10.9 3.5 -
5.8 3 -
8 4.5 46.4 16.6 M4 M5 20 -
- 6 - - 14.5 -
20 37 25.5 20 - 10 39.25 39.25 38.1 39.1 9.8 9.8 5.5 -
9 6 -
8 4.5 47.7 19.5 M6 M5 25.5 27.75 - 8 - 15 20.75 -
25 40 28 26 - 10 40 40 36.3 39.1 8 8 5.5 -
10 5.5 -
8 4.5 47.1 22 M6 M5 28 -
- 8 - -
20 -
32 45 34 32 33 12 55.5 47 39.5 40.5 9.5 9.5 5.5 M8 10.5 6 21 10 7.5 48.5 23.5 M6 G1\8 34 36 35 10 2.5 -
32 7
40 52 -
- 40 16 57 52 42.4 44.4 10.7 10.7 5.5 M8 9 6 21 13.5 7.5 53.4 29.6 M8 G1\8 -
-
40 13 3.5 -
31 8.5
50 64 -
- 50 16 72 64 42.2 45.8 11.2 11.2 6.5 M8 10.5 6 21 13.5 9 54,8 37,5 M8 G1\4 -
-
50 13 3,5 -
40 8,5
63 80 62 60 61 20 88 80 49.5 50.7 13 13 8.5 M12 15 8.5 31.5 13.5 9 58.5 50 M8 G1\4 60 62 61 17 4 -
48 8.5
80 98 -
- 77 25 104 98 57.5 58.7 16.2 16.2 10.5 M12 17 10.5 31.5 15 10.5 69.5 62 M16 G3\8 -
-
77 22 4 -
55 16.5
100 117 -
- 94 25 123.5 117 68.5 69.7 20.3 20.3 10.5 M12 17 10.5 31.5 15 10.5 80.5 80 M16 G3\8 -
-
94 22 4 -
65 16.5
+ = sommare la corsa
++ = sommare 2 volte la corsa




