Prodotti destinati all’industria.
Condizioni generali di vendita disponibili sul sito
www.camozzi.com.
1
Cilindri Serie QP - QPR
MOVIMENTO >
CATALOGO
>
Release 8.8
/2.10.08
1
MOVIMENTO
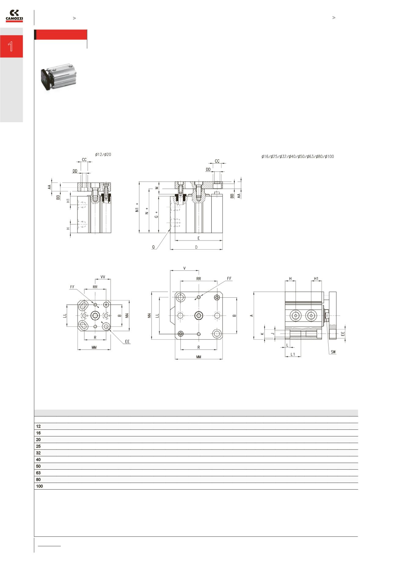
Cilindri corsa breve Serie QPR
NB: La battuta meccanica di fine corsa dei cilindri
deve essere predisposta esternamente.
INGOMBRI
Ø A B D E G + H1 H J K L L1 N + N1 + Q R SW V AA BB
Ø
CC
Ø
DD EE FF LL MM NN RR VV
12 23.8 15.5 25 25 29.6 12.3 7.8 3.5 5.8 3 -
32.9 37.9 M5 15.5 5 13.15 5 3.5 6.2 3.2 5.8 M3 15.5 25 24 15.5 12
16 29 20 29 29 32 10.9 8.7 3.5 5.8 3 -
36.4 41.4 M5 20 6 14.5 5 3.5 6.2 3.2 6.5 M3 20 28 28 20 -
20 37 25.5 39.25 39.25 31.2 9.8 9.8 5.5 9 6 -
36 46 M5 25.5 8 20.75 10 4.6 8 4.2 9 M4 25.5 38.5 36 25.5 18
25 40 28 40 40 32.1 8 6.9 5.5 10 5.5 -
37.5 47.5 M5 28 8 20 10 4.6 8 4.2 10 M4 27 40 40 28 -
32 45 33 55.5 47 39.5 9.5 9.5 M8 10.5 6 21 44 54 G1\8 35 10 32 10 6 9 5.5 9 M5 32 47 45 36 -
40 52 40 57 52 42.4 10.7 10.7 M8 9 6 21 47.9 57.9 G1\8 40 13 31 10 6 9 5.5 9 M5 40 52 50 40 -
50 64 50 72 64 42.2 11.2 11.2 M8 10.5 6 21 48.4 60.4 G1\4 50 13 40 12 6.8 10.5 6.5 10 M6 50 65 65 50 -
63 80 61 88 80 49.5 13 13 M12 15 8.5 31.5 54 66 G1\4 61 17 48 12 8.5 14 9 15 M6 62 80 80 62 -
80 98 77 104 98 57.5 16.2 16.2 M12 17 10.5 31.5 63.5 78.5 G3\8 77 22 55 15 10 16.5 11 17 M8 77 100 100 77 -
100 117 94 123.5 117 68.5 20.3 20.3 M12 17 10.5 31.5 74.5 89.5 G3\8 94 22 65 15 10 16.5 11 17 M8 94 115 115 94 -
+ = sommare la corsa




