Prodotti destinati all’industria.
Condizioni generali di vendita disponibili sul sito
www.camozzi.com.
1
Cilindri Serie 31
MOVIMENTO >
CATALOGO
>
Release 8.8
/2.15.08
1
MOVIMENTO
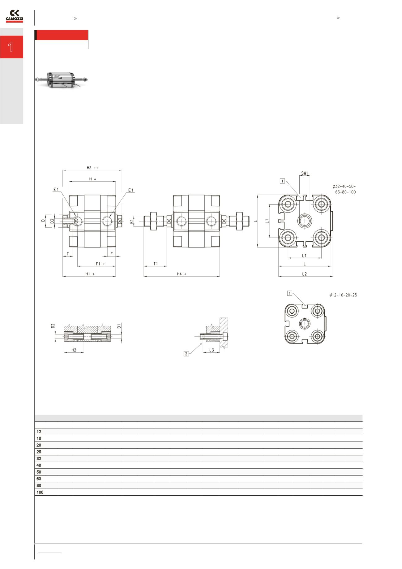
Cilindri compatti magnetici Mod. 31F e 31M - stelo passante
INGOMBRI
Ø
Ø
D
Ø
D1 D2 D3 E1
F F1+ H+ H1+ H2 H3++ H4+
K1
L
L1 L2 L3 T T1 SW1
12 6 3,5 M4 M3 M5
8
30
38 42,5 18,5 47
58,5
M6
29 18 30 16 6 16 5
16 8 3,5 M4 M4 M5
8
30
38 42,5 18,5 47
62,5
M8
29 18 30 16 8 20 7
20 10 4,5 M5 M5 M5
8
30
38 42,5 18,5 47
64,5 M10x1,25 36 22 37,5 18 10 22 8
25 10 4,5 M5 M5 M5
8 31,5 39,5 45 18,5 50,5
67 M10x1,25 40 26 41,5 18 10 22 8
32 12 5,5 M6 M6 G1\8 8 36,5 44,5 50,5 21,5 56,5 72,5 M10x1,25 50 32 52 20 12 22 10
40 12 5,5 M6 M6 G1\8 8 37,5 45,5 52 21,5 58,5
74 M10x1,25 60 42 62,5 20 12 22 10
50 16 6,5 M8 M8 G1\8 8 37,5 45,5 53 22,5 60,5
77 M12x1,25 68 50 71 20 12 24 13
63 16 8,5 M10 M8 G1\8 8
42
50 57,5 24,5 65
81,5 M12x1,25 87 62 91 25 12 24 13
80 20 8,5 M10 M10 G1\8 8,5 47,5 56
64 24,5 72
96
M16x1,5 107 82 111 25 16 32 17
100 25 8,5 M10 M12 G1\4 10,5 56 66,5 76,5 31,5 86,5 116,5 M20x1,5 128 103 133 25 20 40 22
1 Scanalatura per sensore Serie CST
2 Rispettare la profondita’ minima di avvitamento
+ = sommare la corsa
++ = sommare due volte la corsa




