Prodotti destinati all’industria.
Condizioni generali di vendita disponibili sul sito
www.camozzi.com.Cilindri Serie 31
CATALOGO
1
/2.15.09
1
>
Release 8.8
MOVIMENTO >
MOVIMENTO
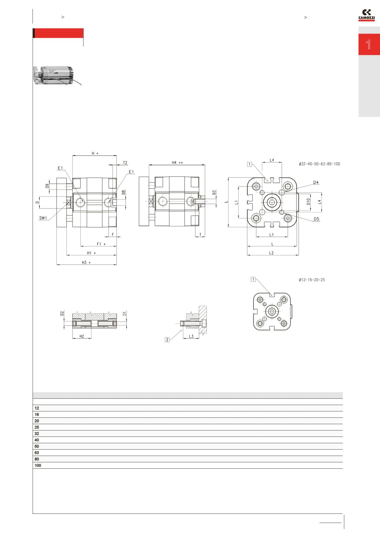
Cilindri compatti magnetici Mod. 31R
INGOMBRI
Ø
Ø
D
Ø
D1 D2 D3
Ø
D4
(H9)
D5 D8
(H9)
Ø
D9 D10 E1 F F1+ H+ H1+ H2 H3+ H4++ L L1 L2 L3 L4 T T2 SW1
12 6 3,5 M4 M3 3 M3 6 5 6 M5 8 30 38 42,5 18,5 48,5 47 29 18 30 16 9,9 6 4 5
16 8 3,5 M4 M4 3 M3 6 5 8 M5 8 30 38 42,5 18,5 48,5 47 29 18 30 16 9,9 8 4 7
20 10 4,5 M5 M5 4 M4 6 6 10 M5 8 30 38 42,5 18,5 50,5 47 36 22 37,5 18 12 10 4 8
25 10 4,5 M5 M5 5 M5 6 6 14 M5 8 31,5 39,5 45 18,5 53 50,5 40 26 41,5 18 15,6 10 4 8
32 12 5,5 M6 M6 5 M5 6 6 17 G1\8 8 36,5 44,5 50,5 21,5 60,5 56,5 50 32 52 20 19,8 12 4 10
40 12 5,5 M6 M6 5 M5 6 6 17 G1\8 8 37,5 45,5 52 21,5 62 58,5 60 42 62,5 20 23,3 12 4 10
50 16 6,5 M8 M8 6 M6 6 10 22 G1\8 8 37,5 45,5 53 22,5 65 60,5 68 50 71 20 29,7 12 4 13
63 16 8,5 M10 M8 6 M6 8 10 22 G1\8 8 42 50 57,5 24,5 69,5 65 87 62 91 25 35,4 12 4 13
80 20 8,5 M10 M10 8 M8 8 12 28 G1\8 8,5 47,5 56 64 24,5 78 72 107 82 111 25 46 16 4 17
100 25 8,5 M10 M12 10 M10 8 12 30 G1\4 10,5 56 66,5 76,5 31,5 90,5 86,5 128 103 133 25 56,6 20 4 22
1 Scanalatura per sensore Serie CST
2 Rispettare la profondita’ minima di avvitamento
+ = sommare la corsa
++ = sommare due volte la corsa




