Prodotti destinati all’industria.
Condizioni generali di vendita disponibili sul sito
www.camozzi.com.
1
Pinze parallele autocentranti Serie CGPS
MOVIMENTO >
CATALOGO
>
Release 8.8
/7.18.08
1
MOVIMENTO
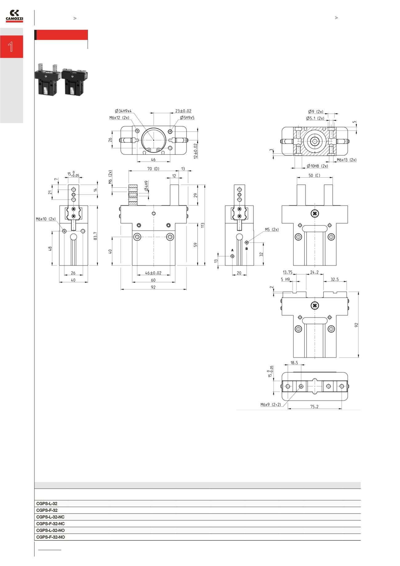
Dimensioni pinza CGPS - taglia 32 mm
Mod.
Forza per griffa in
chiusura a 6 bar (N)
Forza per griffa in
apertura a 6 bar (N)
Corsa per
griffa (mm)
Consumo aria per
ciclo (Ncm³)
Pressione
d’esercizio (bar)
Temperatura
d’esercizio (°C)
Ripetibilità
(mm)
Frequenza max
funzionamento (Hz)
Peso
(Kg)
CGPS-L-32
195
237
10
104.6
2 ÷ 8
5 ÷ 60
+/-0 .02
2
0.729
CGPS-F-32
195
237
10
104.6
2 ÷ 8
5 ÷ 60
+/-0 .02
2
0.753
CGPS-L-32-NC
212
210
10
56.2
4 ÷ 8
5 ÷ 60
+/-0 .02
2
0.742
CGPS-F-32-NC
212
210
10
56.2
4 ÷ 8
5 ÷ 60
+/-0 .02
2
0.768
CGPS-L-32-NO
167
256
10
48.3
4 ÷ 8
5 ÷ 60
+/-0 .02
2
0.742
CGPS-F-32-NO
167
256
10
48.3
4 ÷ 8
5 ÷ 60
+/-0 .02
2
0.768
LEGENDA DISEGNO:
A = Connessione aria apertura
B = Connessione aria chiusura
C = Pinza Chiusa
D = Pinza Aperta




