Prodotti destinati all’industria.
Condizioni generali di vendita disponibili sul sito
www.camozzi.com.Pinze parallele autocentranti Serie CGPS
CATALOGO
1
/7.18.05
1
>
Release 8.8
MOVIMENTO >
MOVIMENTO
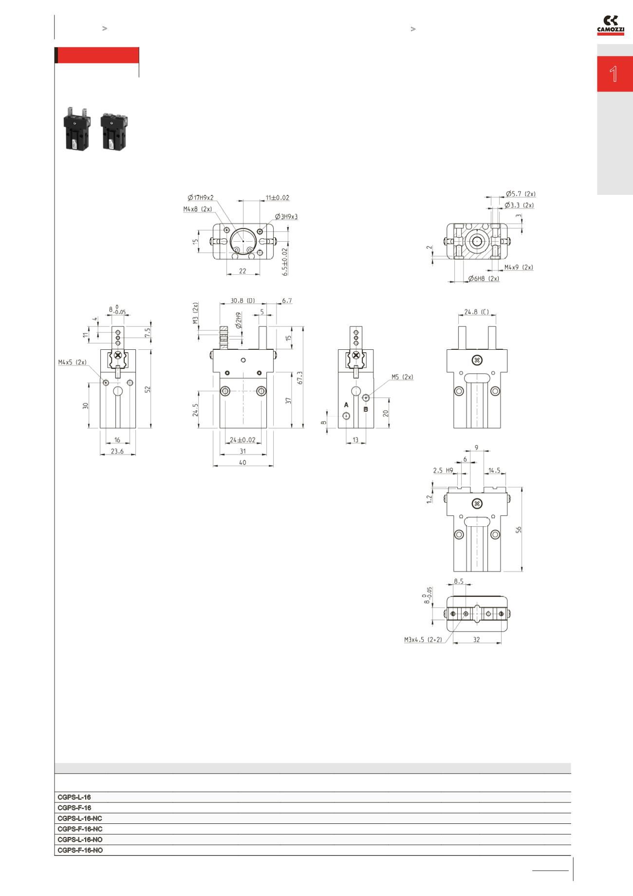
Dimensioni pinza CGPS - taglia 16 mm
Mod.
Forza per griffa in
chiusura a 6 bar (N)
Forza per griffa in
apertura a 6 bar (N)
Corsa per
griffa (mm)
Consumo aria per
ciclo (Ncm³)
Pressione
d’esercizio (bar)
Temperatura
d’esercizio (°C)
Ripetibilità
(mm)
Frequenza max
funzionamento (Hz)
Peso
(Kg)
CGPS-L-16
49
60
3
7.8
2 ÷ 8
5 ÷ 60
+/- 0.02
3
0.127
CGPS-F-16
49
60
3
7.8
2 ÷ 8
5 ÷ 60
+/- 0.02
3
0.130
CGPS-L-16-NC
57.7
47.5
3
4.2
4 ÷ 8
5 ÷ 60
+/- 0.02
3
0.129
CGPS-F-16-NC
57.7
47.5
3
4.2
4 ÷ 8
5 ÷ 60
+/- 0.02
3
0.133
CGPS-L-16-NO
35.5
68.5
3
3.6
4 ÷ 8
5 ÷ 60
+/- 0.02
3
0.129
CGPS-F-16-NO
35.5
68.5
3
3.6
4 ÷ 8
5 ÷ 60
+/- 0.02
3
0.133
LEGENDA DISEGNO:
A = Connessione aria apertura
B = Connessione aria chiusura
C = Pinza Chiusa
D = Pinza Aperta




