Prodotti destinati all’industria.
Condizioni generali di vendita disponibili sul sito
www.camozzi.com.
1
Pinze parallele a larga apertura Serie CGLN
MOVIMENTO >
CATALOGO
>
Release 8.8
/7.27.09
1
MOVIMENTO
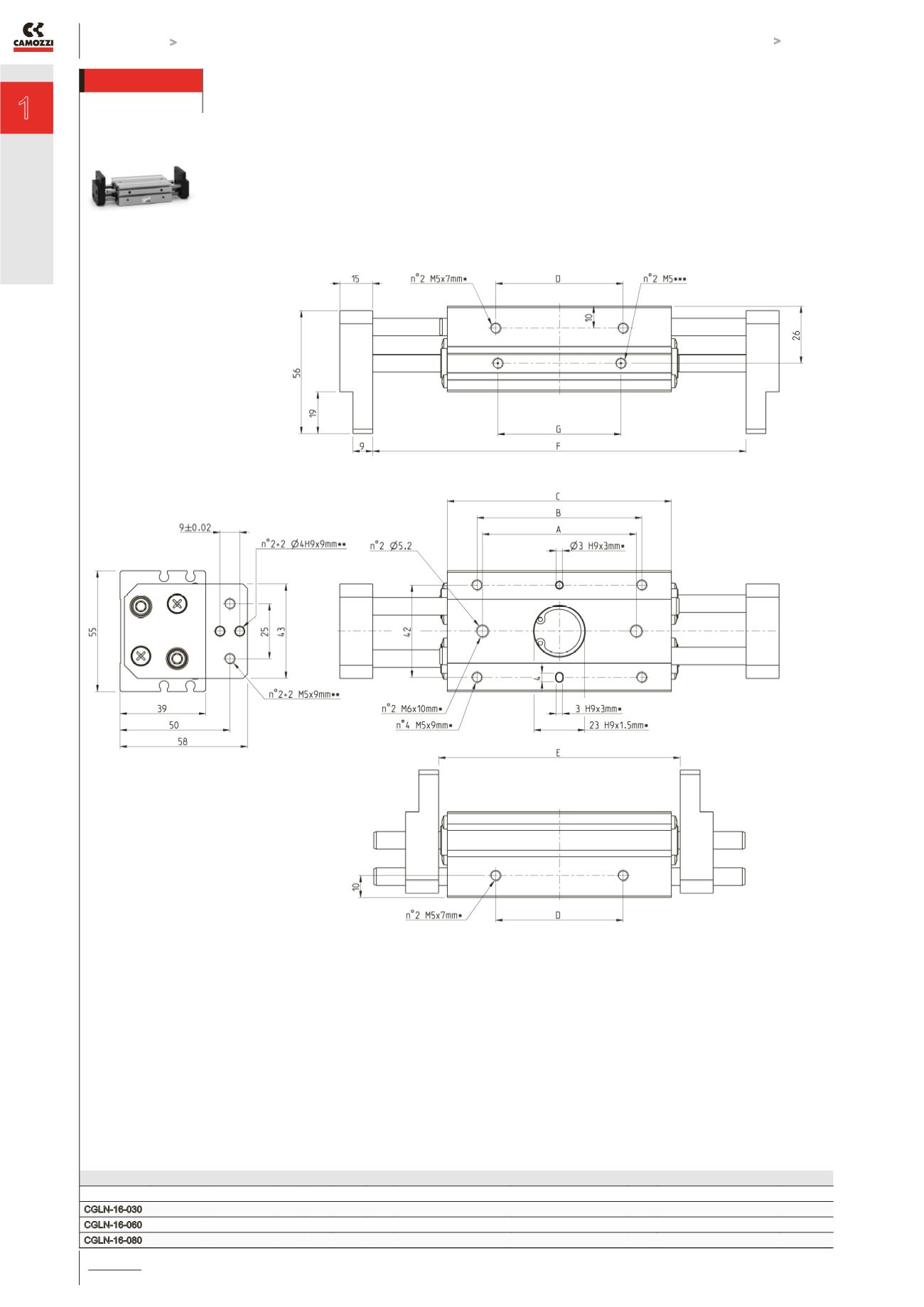
Dimensioni pinza CGLN - taglia 16 mm
Mod.
Alesaggio Corsa totale A B C D E (Chiuso) Apertura min F (Aperto) Apertura max G Frequenza max (cicli/min)
Peso (g)
CGLN-16-030
16
30
40 45 60 28
68
98
26
60
590
CGLN-16-060
16
60
70 75 102 58
110
170
56
40
890
CGLN-16-080
16
80
90 95 122 78
130
210
76
40
1020
LEGENDA DISEGNO:
* = Profondità filettature fissaggio
** = Filettatura montaggio accessorio
*** = Connessioni aria apertura/chiusura




