Prodotti destinati all’industria.
Condizioni generali di vendita disponibili sul sito
www.camozzi.com.
1
Pinze parallele a larga apertura Serie CGLN
MOVIMENTO >
CATALOGO
>
Release 8.8
/7.27.11
1
MOVIMENTO
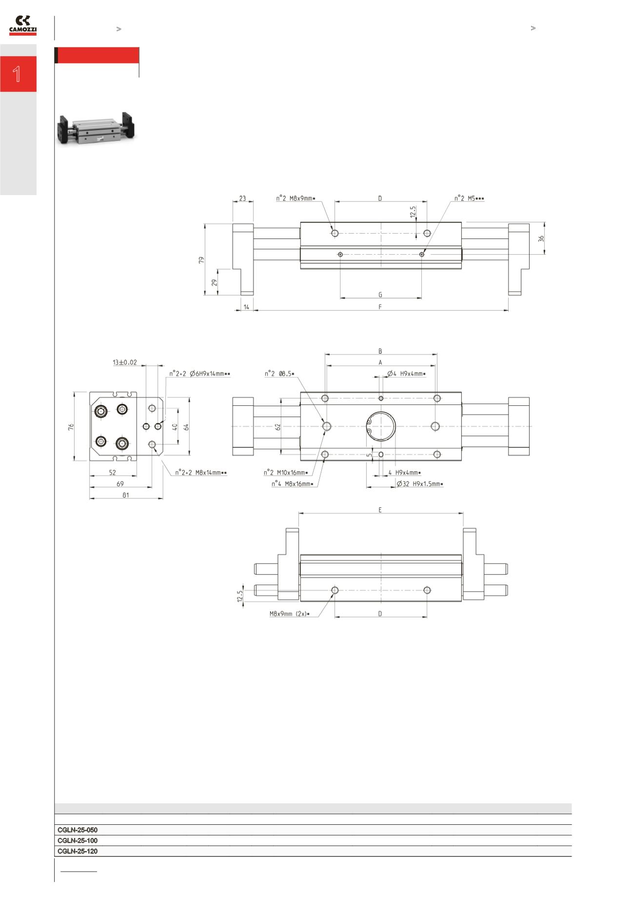
Dimensioni pinza CGLN - taglia 25 mm
Mod.
Alesaggio Corsa totale A B C D E (Chiuso) Apertura min F (Aperto) Apertura max G Frequenza max (cicli/min) Peso (g)
CGLN-25-050
25
50
66 70 97 48
100
150
36
60
1780
CGLN-25-100
25
100
120 124 178 102
182
282
90
40
2710
CGLN-25-120
25
120
138 142 195 120
200
320
108
40
2960
LEGENDA DISEGNO:
* = Profondità filettature fissaggio
** = Filettatura montaggio accessorio
*** = Connessioni aria apertura/chiusura




