Prodotti destinati all’industria.
Condizioni generali di vendita disponibili sul sito
www.camozzi.com.Sensori Serie CST-CSV-CSH-CSB-CSC-CSD
CATALOGO
1
/9.05.03
1
>
Release 8.8
MOVIMENTO >
MOVIMENTO
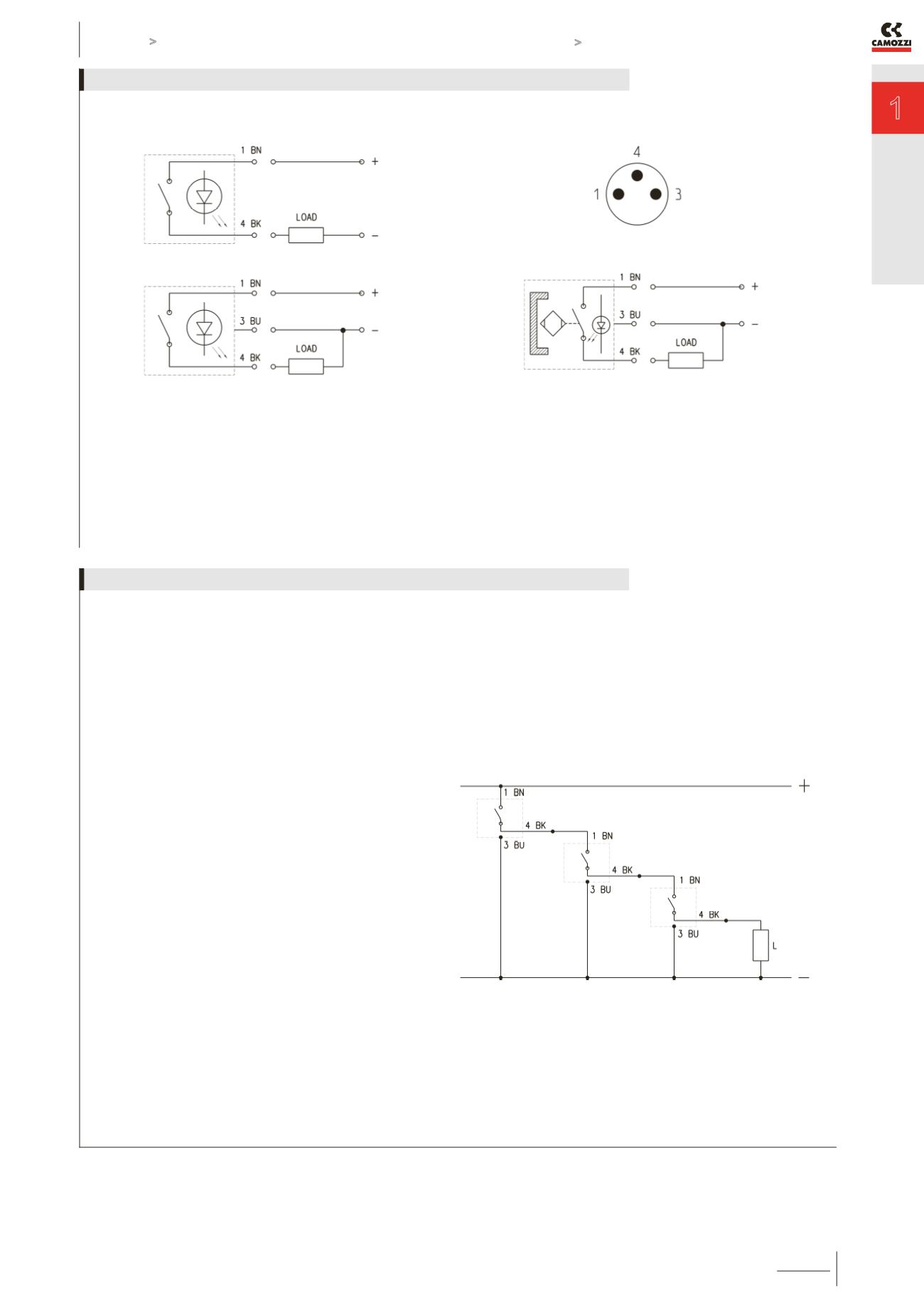
Sensori Reed
BN = Marrone
BU = Blu
BK = Nero
Sensori magnetoresistivi ed effetto Hall
BN = Marrone
BU = Blu
BK = Nero
CONNESSIONI ELETTRICHE SENSORI
La versione a tre fili dei sensori Reed è stata concepita per
consentire il collegamento di più sensori in serie, in quanto non
vi è caduta di potenziale tra l’alimentazione e il carico.
Vedere lo schema del collegamento.
La caduta di potenziale è invece pari a 2.8 V con sensori Reed
a due fili e 1.0 V con sensori magnetoresistivi ed effetto Hall a
3 fili.
1 BN = Marrone
3 BU = Blu
4 BK = Nero
L = Carico
COLLEGAMENTO IN SERIE




