Prodotti destinati all’industria.
Condizioni generali di vendita disponibili sul sito
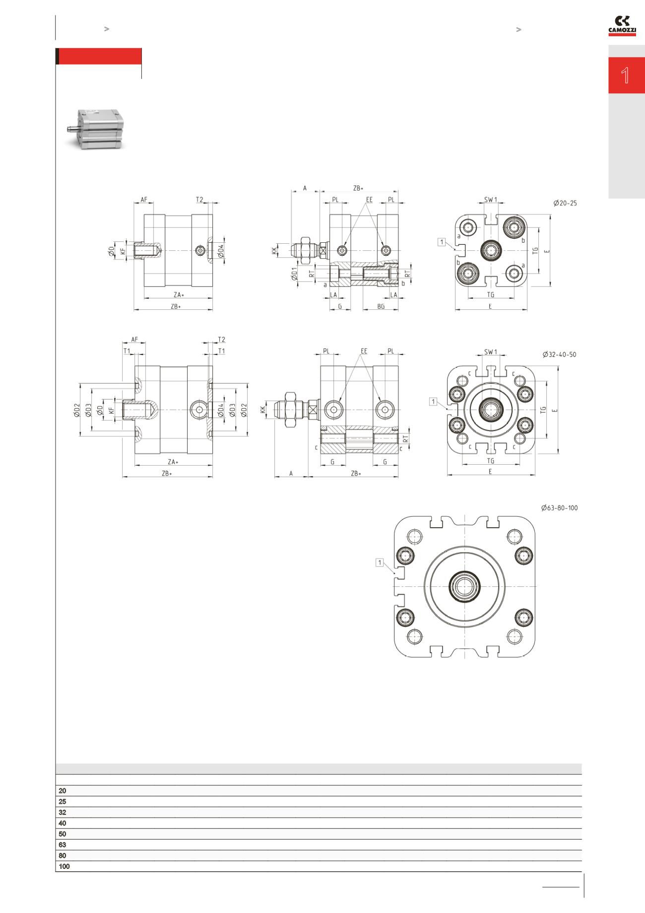
www.camozzi.com.Cilindri Serie 32
CATALOGO
1
/1.30.07
1
>
Release 8.8
MOVIMENTO >
MOVIMENTO
Cilindri compatti magnetici Mod. 32F e 32M
INGOMBRI
Ø A AF BG G ØD D1 ØD2 ØD3 ØD4 E EE KF
KK LA PL RT SW1 T1 T2 TG ZA ZB
20 16 11 20 10,9 10 9
-
-
9 35,8 M5 M6 M8X1,25 5 6,5 M5
8
-
2,5 22 36,8 42,5
25 16 11 20 11,9 10 9
-
-
9 40,7 M5 M6 M8X1,25 5 7 M5
8
-
2,5 26 38,8 44,5
32 19 13 -
14,3 12 -
30 24
9 49,6 G1/8 M8 M10X1,25 -
7,6 M6 10 2 2,5 32,5 44 51
40 19 13 -
14,3 12 -
35 29
9
57 G1/8 M8 M10X1,25 -
7,6 M6 10 2 2,5 38 45 52
50 22 16 -
14,3 16 -
40 34 12 69,6 G1/8 M10 M12X1,25 -
7,6 M8 13 2 3 46,5 45 53
63 22 16 -
14 16 -
45 39 12 79,6 G1/8 M10 M12X1,25 -
7,6 M8 13 2 3 56,5 49 57
80 28 20 -
14,8 20 -
45 39 12 95,6 G1/8 M12 M16X1,5 -
7,7 M10 17 2 3 72 54 63,5
100 28 20 -
17,8 25 -
55 49 12 115,6 G1/8 M12 M16X1,5 -
8 M10 22 2 3 89 66,8 76,5
+ = sommare la corsa
1 = scanalatura per sensore




