Prodotti destinati all’industria.
Condizioni generali di vendita disponibili sul sito
www.camozzi.com.Cilindri Serie 32
CATALOGO
1
/1.30.09
1
>
Release 8.8
MOVIMENTO >
MOVIMENTO
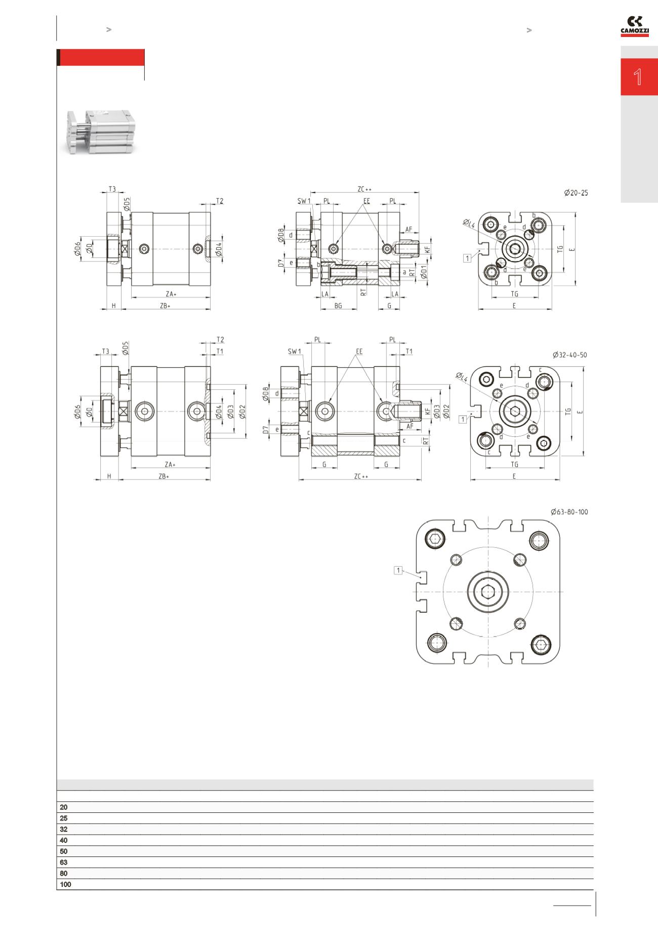
Cilindri compatti magnetici Mod. 32R
INGOMBRI
Ø AF BG G ØD ØD1 ØD2 ØD3 ØD4 ØD5 ØD6 D7 ØD8 E EE H KF LA ØL4 PL RT SW1 T1 T2 T3 TG ZA ZB ZC
20 11 20 10.9 10 9 -
-
9 6 -
M4 4 35.8 M5 8 M6 5 17 6.5 M5 8 - 2.5 -
22 36.8 42.5 48.2
25 11 20 11.9 10 9 -
-
9 6 14 M5 5 40.7 M5 8 M6 5 22 7 M5 8 - 2.5 6.5 26 38.8 44.5 50.2
32 13 - 14.3 12 -
30 24 9 6 17 M5 5 49.6 G1/8 10 M8 -
28 7.6 M6 10 2 2.5 6 32.5 44 51 58
40 13 - 14.3 12 -
35 29 9 6 17 M5 5 57 G1/8 10 M8 -
33 7.6 M6 10 2 2.5 6 38 45 52 59
50 16 - 14.3 16 -
40 34 12 10 22 M6 6 69.6 G1/8 12 M10 -
42 7.6 M8 13 2 3 7 46.5 45 53 61
63 16 -
14 16 -
45 39 12 10 22 M6 6 79.6 G1/8 12 M10 -
50 7.6 M8 13 2 3 7 56.5 49 57 65
80 20 - 14.8 20 -
45 39 12 12 24 M8 8 95.6 G1/8 14 M12 -
65 7.7 M10 17 2 3 10.5 72 54 63.5 73
100 20 -
18 25 -
55 49 12 12 24 M10 10 115.6 G1/8 14 M12 -
80 8 M10 22 2 3 10.5 89 67 76.7 86.2
+ = sommare la corsa
++ = sommare due volte la corsa
1 = scanalatura per sensore




