Prodotti destinati all’industria.
Condizioni generali di vendita disponibili sul sito
www.camozzi.com.
1
Cilindri Serie 32
MOVIMENTO >
CATALOGO
>
Release 8.8
/1.30.08
1
MOVIMENTO
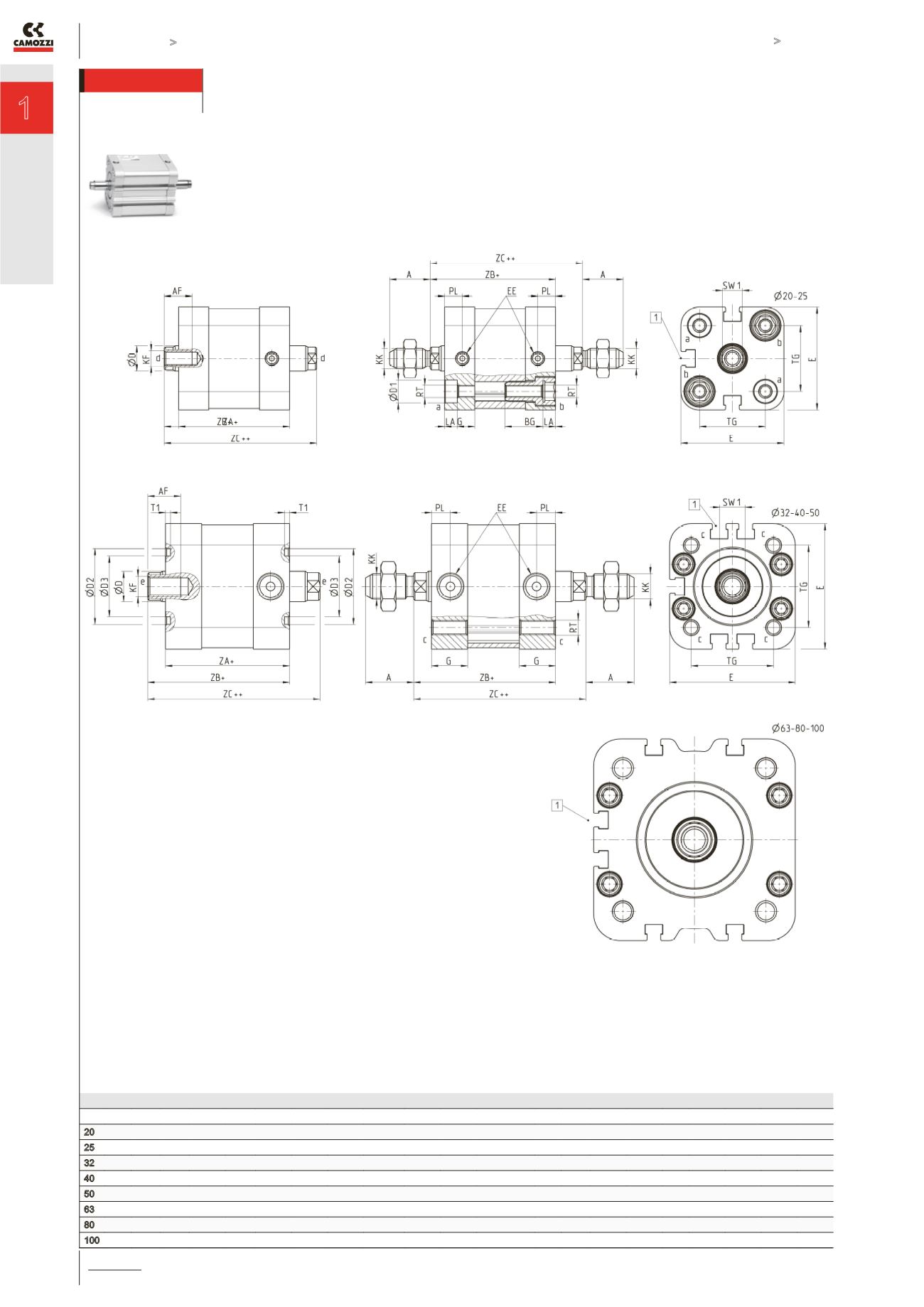
Cilindri compatti magnetici Mod. 32F3 e 32M3
INGOMBRI
Ø A AF BG G ØD ØD1 ØD2 ØD3 E EE KF
KK LA PL RT SW1 T1 TG ZA ZB ZC
20 16 11 20 10,9 10 9
-
-
35,8 M5 M6 M8X1,25 5 6,5 M5
8
-
22 36,8 42,5 48,2
25 16 11 20 11,9 10 9
-
-
40,7 M5 M6 M8X1,25 5 7 M5
8
-
26 38,8 44,5 50,2
32 19 13 -
14,3 12
-
30 24 49,6 G1/8 M8 M10X1,25 -
7,6 M6 10 2 32,5 44 51 58
40 19 13 -
14,3 12
-
35 29
57 G1/8 M8 M10X1,25 -
7,6 M6 10 2 38 45 52 59
50 22 16 -
14,3 16
-
40 34 69,6 G1/8 M10 M12X1,25 -
7,6 M8 13 2 46,5 45 53 61
63 22 16 -
14 16
-
45 39 79,6 G1/8 M10 M12X1,25 -
7,6 M8 13 2 56,5 49 57 65
80 28 20 -
14,8 20
-
45 39 95,6 G1/8 M12 M16X1,5 -
7,7 M10 17 2 72 54 63,5 73
100 28 20 -
17,8 25
-
55 49 115,6 G1/8 M12 M16X1,5 -
8 M10 22 2 89 66,8 76,5 86,2
+ = sommare la corsa
++ = sommare due volte la corsa
1 = scanalatura per sensore




