Prodotti destinati all’industria.
Condizioni generali di vendita disponibili sul sito
www.camozzi.com.Servo valvole digitali proporzionali Serie LR
CATALOGO
2
/15.32.04
2
>
Release 8.8
CONTROLLO >
CONTROLLO
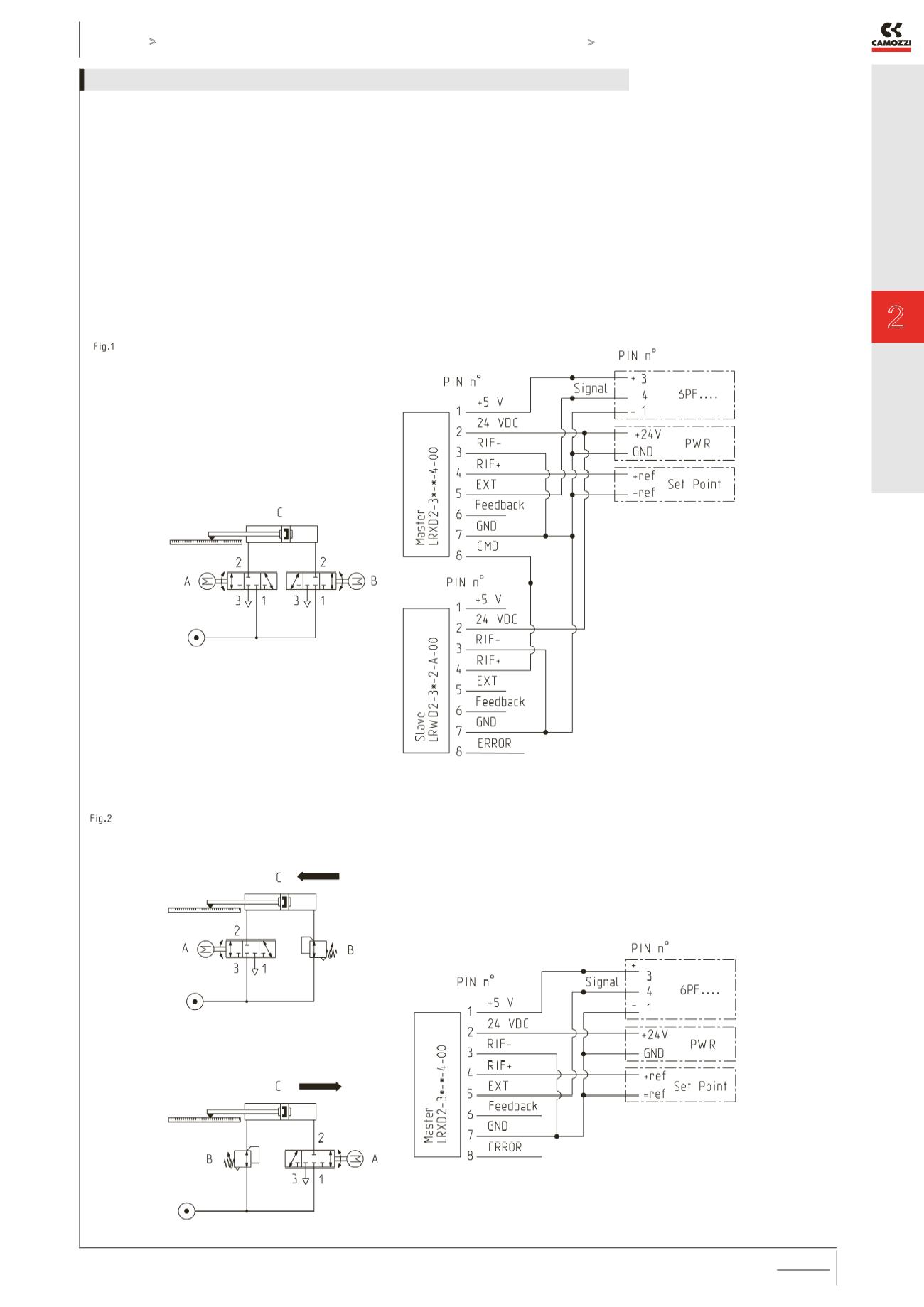
SERIE LRXD2 - SCHEMI PNEUMATICI ED ELETTRICI PER L’INSTALLAZIONE
Le servo valvole LRXD2 sono valvole proporzionali con un controllo integrato ad alta precisione per il posizionamento di cilindri pneu-
matici. La valvola include il sistema 3/3-vie brevettato basato sul principio della spola rotante con controllo elettronico della posizione
della spola. Il sistema servo pneumatico ad anello chiuso permette il controllo della posizione tramite il feedback di un sensore di po-
sizione o del cilindro Camozzi 6PF con il trasduttore lineare Integrato. Velocità e accelerazione sono gestite direttamente della scheda
elettronica integrata nel corpo della valvola. La valvola Master Mod. LRXD2 è dotata di un apposito segnale per il comando di una
valvola LRWD2 che funzionerà come valvola Slave.
Configurazione per il controllo della posizione con due valvole (Fig. 1)
A = Slave LRWD2-3*-2-A-00 - B = Master LRXD2-3*-*-4-00 - C = Cilindro 6PF...
Configurazione per il controllo della posizione con una valvola LRXD2 (Fig. 2)
A = Master LRXD2-3*-*-4-00 - B = PR104-... - C = Cilindro 6PF...




