NORTH AMERICAN CYLINDER & ACTUATOR CATALOG - page 333

The company reserves the right to vary models and dimensions without notice.
These products are designed for industrial applications and are not suitable for sale to the general public.
ROTARY ACTUATORS AND GRIPPERS
Rotary Actuators and Grippers
5
NORTH AMERICAN CYLINDER & ACTUATOR CATALOG
>
Release 8.5
310
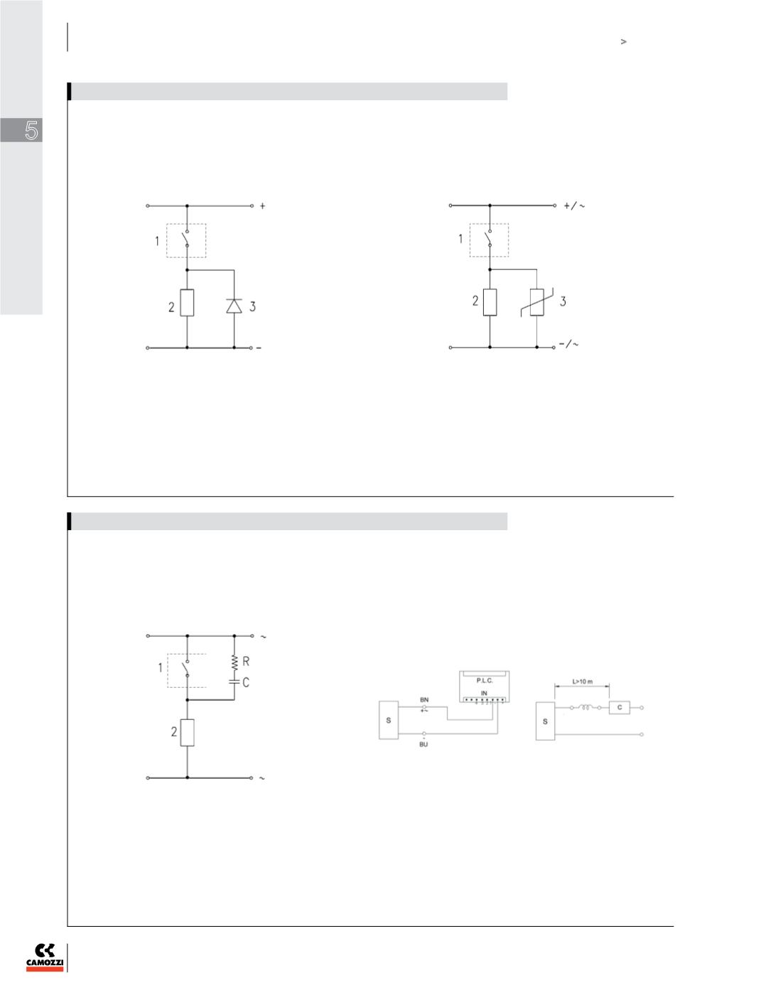
There is no protection on the Reed sensors on the inductive load,
therefore it is advisable to use electric circuits with protection
against the voltage spikes: the first for direct current (DC), the
second for alternating current (AC).
1
= Reed sensor
2
= Load
3
= Diode / Varistor
When the wire length of sensor connection load is more than
10
m, inductors shall be installed in series near the sensor to
avoid ripple.
1
= Reed sensor
2
= Load
R = Resistor
C = Capacitor
There is no protection on the Reed sensors on the inductive load,
therefore it is advisable to use electric circuits with protection
against the voltage spikes.
BN = Brown
BU = Blue
C = Load
When the wire length of sensor connection load is more than
10
m, inductors shall be installed in series near the sensor to
avoid ripple.
BN = Brown
BU = Blue
C = Load
When L is more than 10mt. the cable has to be considered as an
inductive load.
Electric circuits with protection against voltage spikes
Electric circuits with protection against voltage spikes
SEO Version

Warning.

You are currently viewing the SEO version of !text.
It has a number of design and functionality limitations.


We recommend viewing the Flash version or the basic HTML version of this publication.

1...,323,324,325,326,327,328,329,330,331,332 334,335,336,337,338,339,340,341,342,343,...406
Powered by: Camozzi Pneumatics Inc.