Background Image
Table of Contents Table of Contents
Previous Page  195 / 218 Next Page
Information
Show Menu
Previous Page 195 / 218 Next Page
Page Background

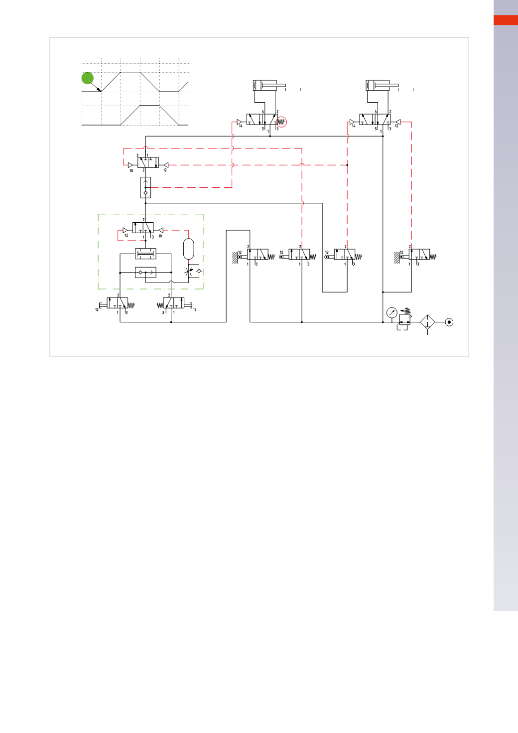
CIRCUIT TECHNIQUE

+

_

A

+

_

B

I.C.

3

1 2

4 1

a0

A

a1

b0

B

b1

a1

a0

b1

b0

P1

P2

a0

b1

b0

a1

Fig. 104

5

193

CAMOZZI

>

CIRCUIT TECHNIQUE