NORTH AMERICAN CYLINDER & ACTUATOR CATALOG - page 179

The company reserves the right to vary models and dimensions without notice.
These products are designed for industrial applications and are not suitable for sale to the general public.
COMPACT AND SHORT-STROKE CYLINDERS
Compact and Short-Stroke Cylinders
2
NORTH AMERICAN CYLINDER & ACTUATOR CATALOG
>
Release 8.5
156
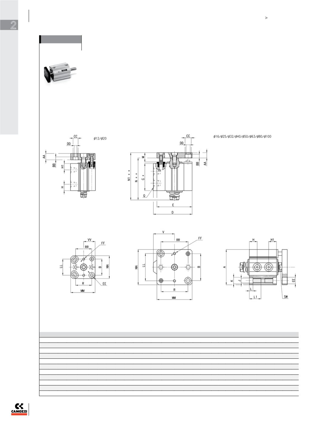
Short-stroke cylinder Series QPR - through-rod
Note: The cylinder’s end stop must be provided
externally.
DIMENSIONS (mm)
Ø A B D E G + H1 H J K L L1 N + + N1 + + Q R SW V AA BB ØCC ØDD EE FF LL MM NN RR VV
12
23.8 15.5 25 25 37.3 12.3 12.3 3.5 5.8 3 -
41 46
M5 15.5 5 13.15 5 3.5 6.2 3.2 5.8 M3 15.5 25 24 15.5 12
16
29 20 29 29 38 10.9 10.9 3.5 5.8 3 -
52 57
M5 20 6 14.5 5 3.5 6.2 3.2 6.5 M3 20 28 28 20 -
20
37 25.5 39.25 39.25 38.1 9.8 9.8 5.5 9 6 -
47.7 57.5
M5 25.5 8 20.75 10 4.6 8 4.2 9 M4 25.5 38.5 36 25.5 18
25
40 28 40 40 36.3 8 8 5.5 10 5.5 -
47.1 57.1
M5 28 8 20 10 4.6 8 4.2 10 M4 27 40 40 28 -
32
45 33 55.5 47 39.5 9.5 9.5
M8 10.5 6 21 48.5 58.5 G1\8 35 10 32 10 6 9 5.5 9 M5 32 47 45 36 -
40
52 40 57 52 42.4 10.7 10.7
M8 9 6 21 53.4 63.4 G1\8 40 13 31 10 6 9 5.5 9 M5 40 52 50 40 -
50
64 50 72 64 42.2 11.2 11.2
M8 10.5 6 21 54.8 66.8 G1\4 50 13 40 12 6.8 10.5 6.5 10 M6 50 65 65 50 -
63
80 61 88 80 49.5 13 13
M12 15 8.5 31.5 58.5 70.5 G1\4 61 17 48 12 8.5 14 9 15 M6 62 80 80 62 -
80
98 77 104 98 57.5 16.2 16.2
M12 17 10.5 31.5 69.5 84.5 G3\8 77 22 55 15 10 16.5 11 17 M8 77 100 100 77 -
100
117 94 123.5 117 68.5 20.3 20.3
M12 17 10.5 31.5 80.5 95.5 G3\8 94 22 65 15 10 16.5 11 17 M8 94 115 115 94 -
+ = add the stroke
++ = add the stroke 2 times
SEO Version

Warning.

You are currently viewing the SEO version of !text.
It has a number of design and functionality limitations.


We recommend viewing the Flash version or the basic HTML version of this publication.

1...,169,170,171,172,173,174,175,176,177,178 180,181,182,183,184,185,186,187,188,189,...406
Powered by: Camozzi Pneumatics Inc.