NORTH AMERICAN CYLINDER & ACTUATOR CATALOG - page 136

The company reserves the right to vary models and dimensions without notice.
These products are designed for industrial applications and are not suitable for sale to the general public.
Compact and Short-Stroke Cylinders
2
NORTH AMERICAN CYLINDER & ACTUATOR CATALOG
>
Release 8.5
COMPACT AND SHORT-STROKE CYLINDERS
113
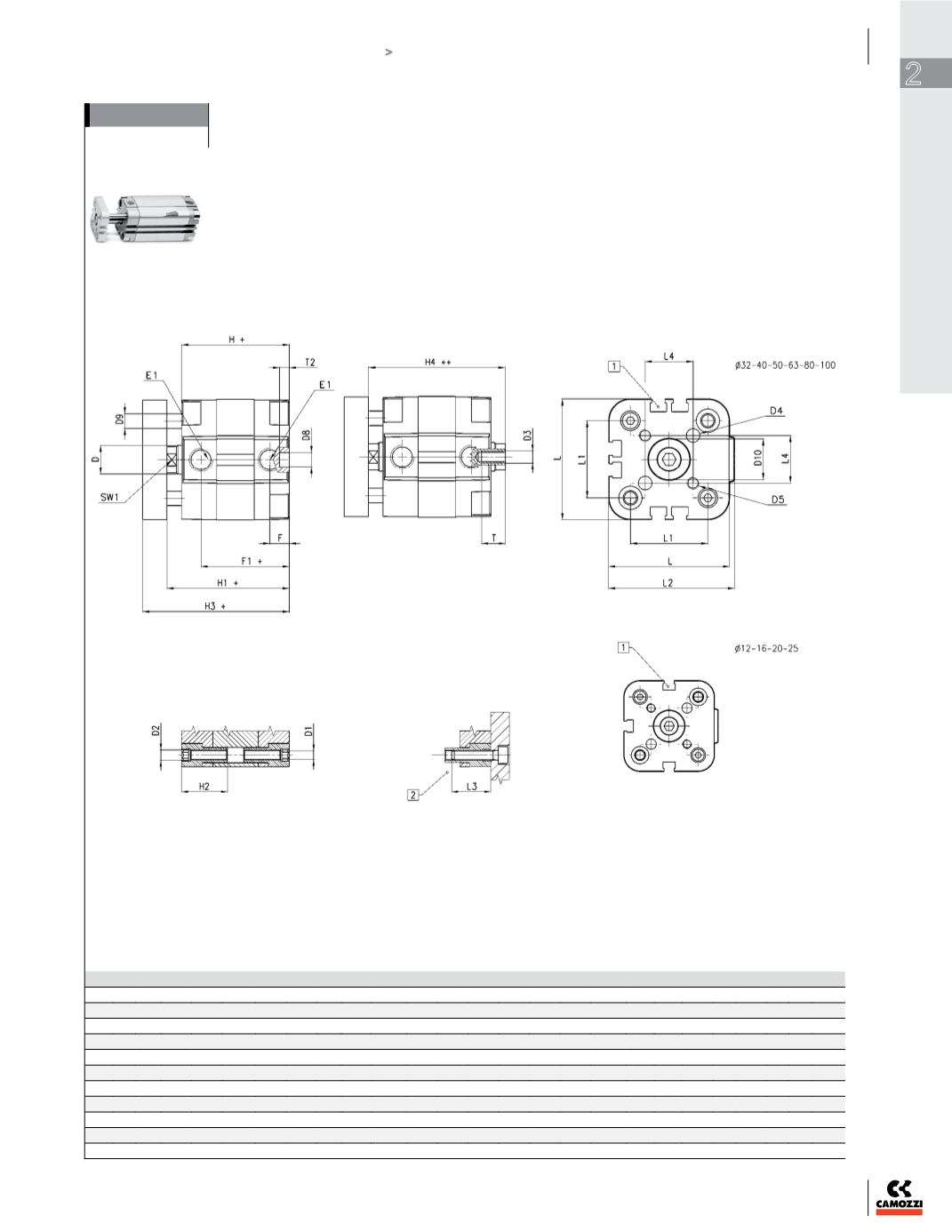
Compact magnetic cylinders Mod. 31R
DIMENSIONS (mm)
Ø ØD ØD1 D2 D3 ØD4
(
H9)
D5 D8
(
H9)
ØD9 D10 E1 F F1+ H+ H1+ H2 H3+ H4++ L L1 L2 L3 L4 T T2 SW1
12
6 3,5
M4 M3 3 M3 6 5 6 M5 8 30 38 42,5 18,5 48,5 47 29 18 30 16 9,9 6 4 5
16
8 3,5
M4 M4 3 M3 6 5 8 M5 8 30 38 42,5 18,5 48,5 47 29 18 30 16 9,9 8 4 7
20
10 4,5
M5 M5 4 M4 6 6 10 M5 8 30 38 42,5 18,5 50,5 47 36 22 37,5 18 12 10 4 8
25
10 4,5
M5 M5 5 M5 6 6 14 M5 8 31,5 39,5 45 18,5 53 50,5 40 26 41,5 18 15,6 10 4 8
32
12 5,5
M6 M6 5 M5 6 6 17 G1\8 8 36,5 44,5 50,5 21,5 60,5 56,5 50 32 52 20 19,8 12 4 10
40
12 5,5
M6 M6 5 M5 6 6 17 G1\8 8 37,5 45,5 52 21,5 62 58,5 60 42 62,5 20 23,3 12 4 10
50
16 6,5
M8 M8 6 M6 6 10 22 G1\8 8 37,5 45,5 53 22,5 65 60,5 68 50 71 20 29,7 12 4 13
63
16 8,5
M10 M8 6 M6 8 10 22 G1\8 8 42 50 57,5 24,5 69,5 65 87 62 91 25 35,4 12 4 13
80
20 8,5
M10 M10 8 M8 8 12 28 G1\8 8,5 47,5 56 64 24,5 78 72 107 82 111 25 46 16 4 17
100
25 8,5
M10 M12 10 M10 8 12 30 G1\4 10,5 56 66,5 76,5 31,5 90,5 86,5 128 103 133 25 56,6 20 4 22
1
= Groove for sensor CST
2
= Keep to the minimum screwing depth.
+ = add the stroke
++ = add the stroke 2 times
SEO Version

Warning.

You are currently viewing the SEO version of !text.
It has a number of design and functionality limitations.


We recommend viewing the Flash version or the basic HTML version of this publication.

1...,126,127,128,129,130,131,132,133,134,135 137,138,139,140,141,142,143,144,145,146,...406
Powered by: Camozzi Pneumatics Inc.