NORTH AMERICAN CYLINDER & ACTUATOR CATALOG - page 135

The company reserves the right to vary models and dimensions without notice.
These products are designed for industrial applications and are not suitable for sale to the general public.
COMPACT AND SHORT-STROKE CYLINDERS
Compact and Short-Stroke Cylinders
2
NORTH AMERICAN CYLINDER & ACTUATOR CATALOG
>
Release 8.5
112
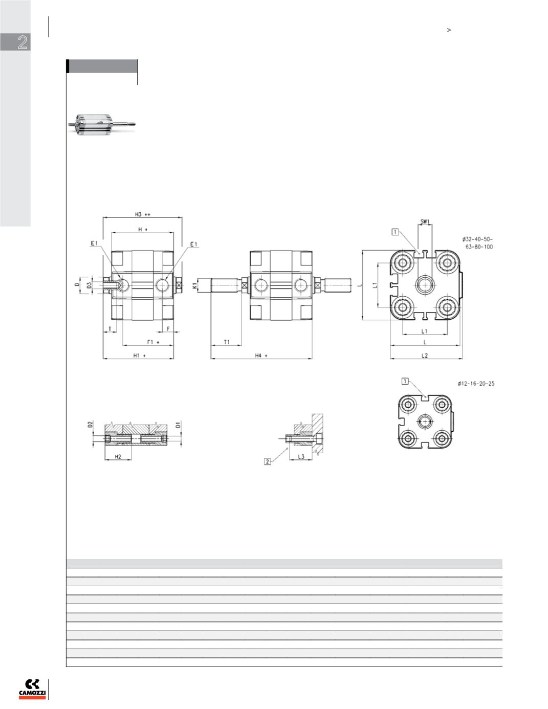
Compact magnetic cylinders Mod. 31F and 31M - through-rod
DIMENSIONS (mm)
Ø ØD ØD1 D2 D3
E1
F F1+ H+ H1+ H2 H3++ H4+
K1
L
L1 L2 L3 T T1 SW1
12
6 3,5
M4 M3 M5
8
30
38 42,5 18,5 47
58,5
M6
29 18 30 16 6 16
5
16
8 3,5
M4 M4 M5
8
30
38 42,5 18,5 47
62,5
M8
29 18 30 16 8 20
7
20
10 4,5
M5 M5 M5
8
30
38 42,5 18,5 47
64,5
M10x1,25 36 22 37,5 18 10 22
8
25
10 4,5
M5 M5 M5
8 31,5 39,5 45 18,5 50,5
67
M10x1,25 40 26 41,5 18 10 22
8
32
12 5,5
M6 M6 G1\8 8 36,5 44,5 50,5 21,5 56,5 72,5 M10x1,25 50 32 52 20 12 22 10
40
12 5,5
M6 M6 G1\8 8 37,5 45,5 52 21,5 58,5
74
M10x1,25 60 42 62,5 20 12 22 10
50
16 6,5
M8 M8 G1\8 8 37,5 45,5 53 22,5 60,5
77
M12x1,25 68 50 71 20 12 24 13
63
16 8,5
M10 M8 G1\8 8
42
50 57,5 24,5 65
81,5
M12x1,25 87 62 91 25 12 24 13
80
20 8,5
M10 M10 G1\8 8,5 47,5 56
64 24,5 72
96
M16x1,5 107 82 111 25 16 32 17
100
25 8,5
M10 M12 G1\4 10,5 56 66,5 76,5 31,5 86,5 116,5 M20x1,5 128 103 133 25 20 40 22
1
= Groove for sensor CST
2
= Keep to the minimum screwing depth.
+ = add the stroke
++ = add the stroke 2 times
SEO Version

Warning.

You are currently viewing the SEO version of !text.
It has a number of design and functionality limitations.


We recommend viewing the Flash version or the basic HTML version of this publication.

1...,125,126,127,128,129,130,131,132,133,134 136,137,138,139,140,141,142,143,144,145,...406
Powered by: Camozzi Pneumatics Inc.