NORTH AMERICAN CYLINDER & ACTUATOR CATALOG - page 167

The company reserves the right to vary models and dimensions without notice.
These products are designed for industrial applications and are not suitable for sale to the general public.
COMPACT AND SHORT-STROKE CYLINDERS
Compact and Short-Stroke Cylinders
2
NORTH AMERICAN CYLINDER & ACTUATOR CATALOG
>
Release 8.5
144
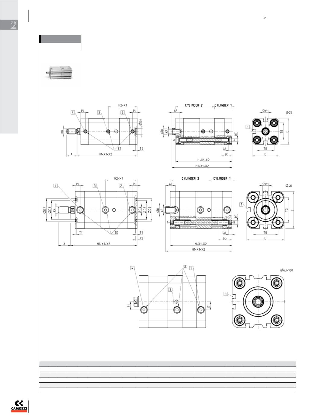
Multi-position cylinders Mod. 32F2A/32M2A...X1/X2N
1
= Groove for sensor
2
= Positive stroke cylinder 1
3
= Positive stroke cylinder 2
4
= Negative stroke for both cylinders
DIMENSIONS (mm)
Ø A AF BG ØD ØD2 ØD3 ØD4 E EE E1 H H1 H2 KF
KK LA PL RT SW1 T1 T2 TG
25
16 11 16,5 10 -
-
9 40,7
M5
-
76 81,7 44
M6 M8X1,25 5 7 M5 8
-
2,5 26
40
19 13 21,5 12 35 29
9
57
G1/8 -
86 93 48,2
M8 M10X1,25 5 7,6 M6 10 2 2,5 38
63
22 16 18,5 16 45 39 12 79,6
G1/8 12,5 93 101 44 M10 M12X1,25 6 7,6 M8 13 2 3 56,5
100
28 20 20 25 55 49 12 115,6
G1/8 25 121 130,7 60,5 M12 M16X1,5 6 8 M10 22 2 3 89
X1 = Partial stroke
X2 = Total stroke as operation scheme pag. 1.1.31.2
SEO Version

Warning.

You are currently viewing the SEO version of !text.
It has a number of design and functionality limitations.


We recommend viewing the Flash version or the basic HTML version of this publication.

1...,157,158,159,160,161,162,163,164,165,166 168,169,170,171,172,173,174,175,176,177,...406
Powered by: Camozzi Pneumatics Inc.