NORTH AMERICAN CYLINDER & ACTUATOR CATALOG - page 207

The company reserves the right to vary models and dimensions without notice.
These products are designed for industrial applications and are not suitable for sale to the general public.
STAINLESS STELL CYLINDERS
Stainless Steel Cylinders
3
NORTH AMERICAN CYLINDER & ACTUATOR CATALOG
>
Release 8.5
184
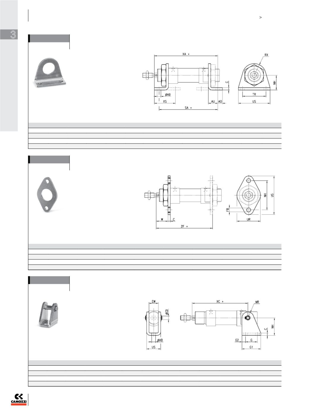
Foot mount Mod. B
Material: stainless steel 304
Supplied with:
2
x feet
1
x nut
DIMENSIONS (mm)
Mod.
Ø
AB
AO
AU
C
NH
RX
SA
TR
US
XA
XS
B-94-12-16
16
5,5
6
13
3
20
13
82
32
42
91
32
B-94-20-25
20
6,6
8
16
4
25
20
100
40
54
108
36
B-94-20-25
25
6,6
8
16
4
25
20
101
40
54
113
40
+ = add the stroke
Flange bracket Mod. E
Material: stainless steel 304
Supplied with:
1
x flange
DIMENSIONS (mm)
Mod.
Ø
C
FB
TF
UF
UR
W
ZF
E-94-12-16
16
3
5,5
40
53
30
19
81
E-94-20-25
20
4
6,6
50
66
40
20
96
E-94-20-25
25
4
6,6
50
66
40
24
101
+ = add the stroke
Trunnion Bracket Mod. I
Material: stainless steel 304
DIMENSIONS (mm)
Mod.
Ø
AB
C
CD
EW
G
G1
G2
MR
NH
US
XC+
I-94-12-16
16
5,5
3
6
12
15
25
5
7
27
18,1
82
I-94-20-25
20
6,6
4
8
16
20
32
6
10
30
24,1
95
I-94-20-25
25
6,6
4
8
16
20
32
6
10
30
24,1
104
SEO Version

Warning.

You are currently viewing the SEO version of !text.
It has a number of design and functionality limitations.


We recommend viewing the Flash version or the basic HTML version of this publication.

1...,197,198,199,200,201,202,203,204,205,206 208,209,210,211,212,213,214,215,216,217,...406
Powered by: Camozzi Pneumatics Inc.