NORTH AMERICAN CYLINDER & ACTUATOR CATALOG - page 213

The company reserves the right to vary models and dimensions without notice.
These products are designed for industrial applications and are not suitable for sale to the general public.
STAINLESS STELL CYLINDERS
Stainless Steel Cylinders
3
NORTH AMERICAN CYLINDER & ACTUATOR CATALOG
>
Release 8.5
190
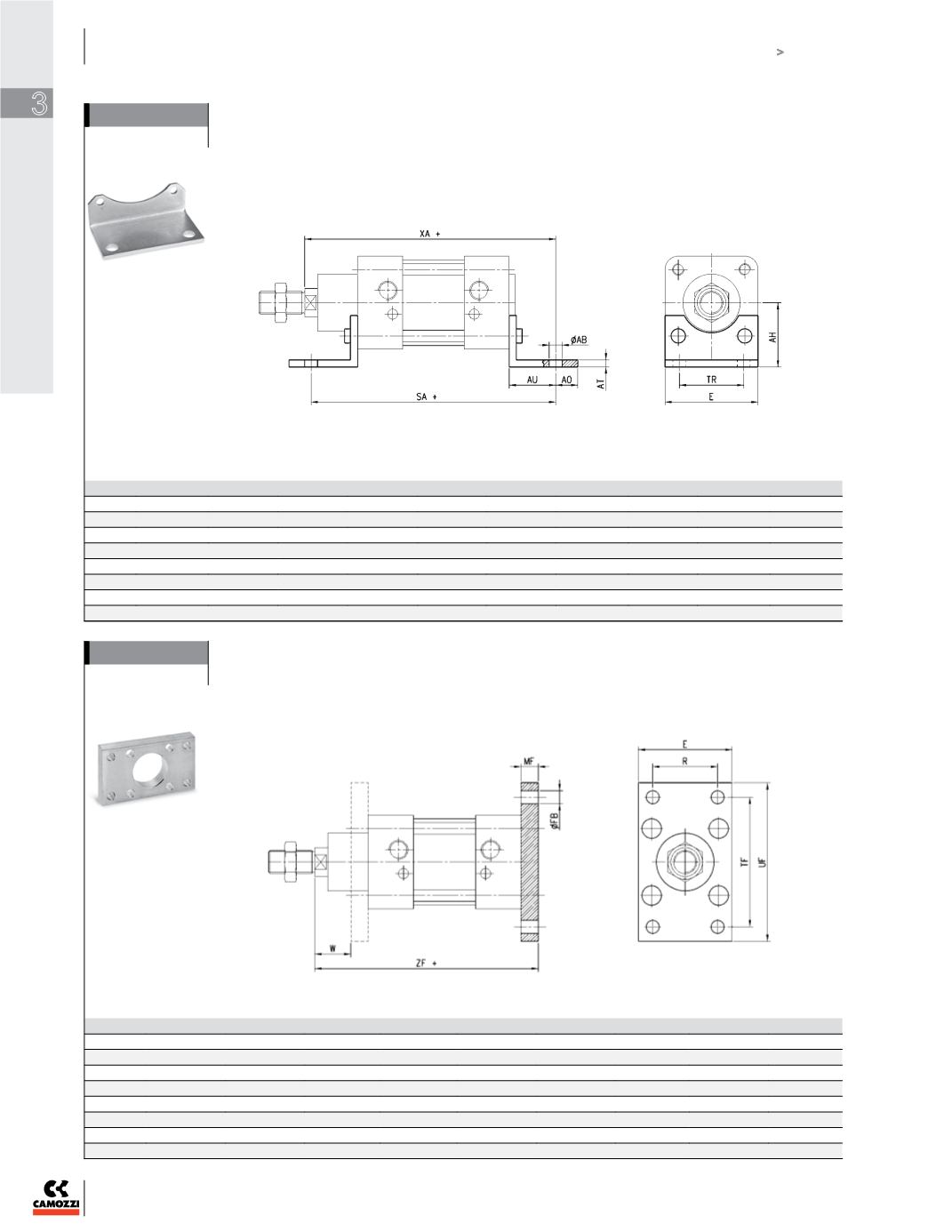
Foot mount Mod. B
Material: stainless steel 304
DIMENSIONS (mm)
Mod.
Ø
AB
AH
AO
AT
AU
E
TR
SA
XA
B-90-32
32
7
32
11
4
24
45
32
142
144
B-90-40
40
9
36
8
4
28
52
36
161
163
B-90-50
50
9
45
15
5
32
65
45
170
175
B-90-63
63
9
50
13
5
32
75
50
185
190
B-90-80
80
12
63
14
6
41
95
63
210
215
B-90-100
100
14
75
16
6
41
115
75
220
230
B-90-125
125
16
90
25
8
45
140
90
250
270
Supplied with:
2
x feet
4
x screws
+ = add the stroke
Front and rear flange Mod. D
Material: stainless steel 304.
DIMENSIONS (mm)
Mod.
Ø
E
FB
MF
TF
UF
W
ZF
R
D-E-90-32
32
45
7
10
64
80
16
130
32
D-E-90-40
40
52
9
10
72
90
20
145
36
D-E-90-50
50
65
9
12
90
110
25
155
45
D-E-90-63
63
75
9
12
100
120
25
170
50
D-E-90-80
80
95
12
16
126
150
30
190
63
D-E-90-100
100
115
14
16
150
170
35
205
75
D-E-90-125
125
140
16
20
180
205
45
245
90
Supplied with:
1
x flange
4
x screws
+ = add the stroke
SEO Version

Warning.

You are currently viewing the SEO version of !text.
It has a number of design and functionality limitations.


We recommend viewing the Flash version or the basic HTML version of this publication.

1...,203,204,205,206,207,208,209,210,211,212 214,215,216,217,218,219,220,221,222,223,...406
Powered by: Camozzi Pneumatics Inc.