NORTH AMERICAN CYLINDER & ACTUATOR CATALOG - page 271

The company reserves the right to vary models and dimensions without notice.
These products are designed for industrial applications and are not suitable for sale to the general public.
RODLESS AND GUIDED/TWIN-BORE CYLINDERS
Rodless and Guided/Twin-Bore Cylinders
4
NORTH AMERICAN CYLINDER & ACTUATOR CATALOG
>
Release 8.5
248
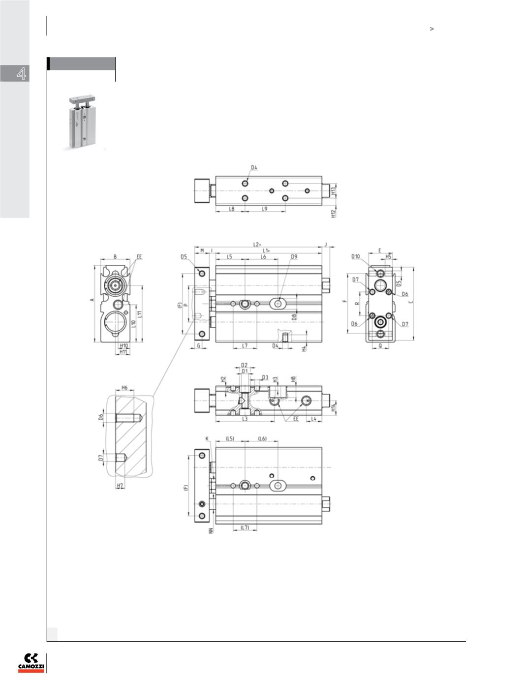
Cylinders Series QX ( single flange )
+ = add the stroke
SEO Version

Warning.

You are currently viewing the SEO version of !text.
It has a number of design and functionality limitations.


We recommend viewing the Flash version or the basic HTML version of this publication.

1...,261,262,263,264,265,266,267,268,269,270 272,273,274,275,276,277,278,279,280,281,...406
Powered by: Camozzi Pneumatics Inc.