NORTH AMERICAN CYLINDER & ACTUATOR CATALOG - page 313

The company reserves the right to vary models and dimensions without notice.
These products are designed for industrial applications and are not suitable for sale to the general public.
ROTARY ACTUATORS AND GRIPPERS
Rotary Actuators and Grippers
5
NORTH AMERICAN CYLINDER & ACTUATOR CATALOG
>
Release 8.5
290
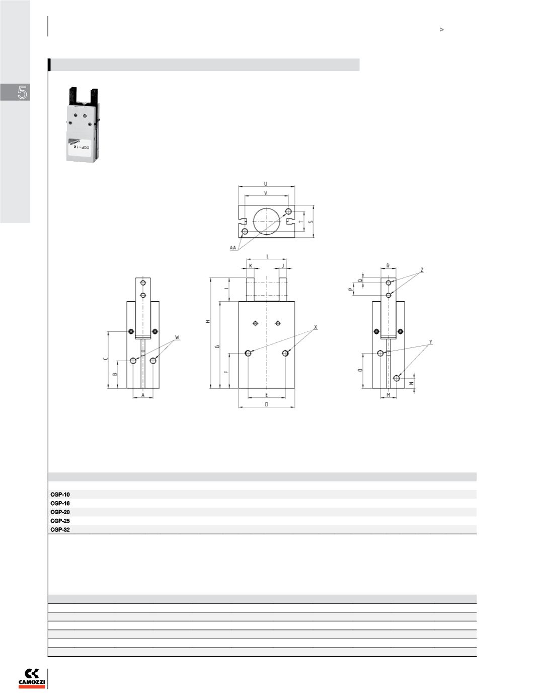
DIMENSIONS (mm)
Mod.
X thread
X depth
Y thread
Y depth
W thread
W depth
Z thread
Z depth
AA thread
AA depth
CGP-10
M3
7
M3
-
M3
5
M3
-
M3
5
CGP-16
M4
11
M5
-
M4
7
M3
-
M4
7
CGP-20
M5
13
M5
-
M4
8
M4
-
M5
8
CGP-25
M6
14
M5
-
M6
10
M5
-
M6
10
CGP-32
M6
20
M5
-
M6
10
M6
-
M6
10
Y = port connection
Z= claw mounting-hole
X.W.AA = Mounting hole
DIMENSIONS
Mod.
A B C D E F
G H I
J K L closed L open M N O P Q R S T U V
CGP-10 10 15,5 31,5 23 18 20 45
58 13 4 4
18
22
10 7,5 19 6 3 7 16 10 23 17
CGP-16 14 21 39,5 34 24 25,5 58,8 73,5 15 5 5
25
33
12 7,5 25,5 8 3 11 22 14 34 26
CGP-20 16 22 45,5 45 30 28 69,5 88,5 19 6 6
32
44
13 8 28 10 4 12 26 16 45 35
CGP-25 20 24,5 51 52 36 31,5 79,5 103,5 24 8 8
37
51
18 9 31 12 5 14 32 20 52 40
CGP-32 26 30 56 60 44 37,5 88 119 31 9 9
44
60
24 10 35 15 7 18 40 26 60 46
Parallel grippers Series CGP
SEO Version

Warning.

You are currently viewing the SEO version of !text.
It has a number of design and functionality limitations.


We recommend viewing the Flash version or the basic HTML version of this publication.

1...,303,304,305,306,307,308,309,310,311,312 314,315,316,317,318,319,320,321,322,323,...406
Powered by: Camozzi Pneumatics Inc.