NORTH AMERICAN CYLINDER & ACTUATOR CATALOG - page 153

The company reserves the right to vary models and dimensions without notice.
These products are designed for industrial applications and are not suitable for sale to the general public.
COMPACT AND SHORT-STROKE CYLINDERS
Compact and Short-Stroke Cylinders
2
NORTH AMERICAN CYLINDER & ACTUATOR CATALOG
>
Release 8.5
130
Compact magnetic cylinders Mod. 32F and 32M
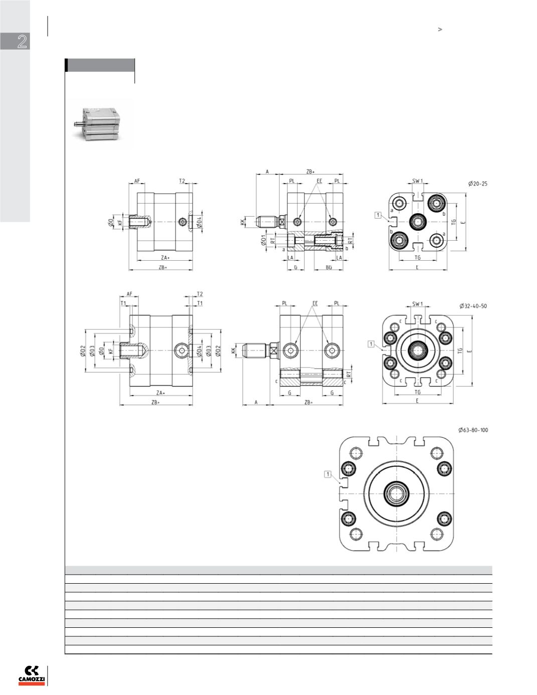
DIMENSIONS (mm)
Ø A AF BG G ØD D1 ØD2 ØD3 ØD4 E EE KF
KK LA PL RT SW1 T1 T2 TG ZA ZB
20
16 11 20 10,9 10 9
-
-
9 35,8
M5 M6 M8X1,25 5 6,5 M5 8
-
2,5 22 36,8 42,5
25
16 11 20 11,9 10 9
-
-
9 40,7
M5 M6 M8X1,25 5 7 M5 8
-
2,5 26 38,8 44,5
32
19 13 -
14,3 12 -
30 24
9 49,6
G1/8 M8 M10X1,25 -
7,6
M6 10 2 2,5 32,5 44 51
40
19 13 -
14,3 12 -
35 29
9
57
G1/8 M8 M10X1,25 -
7,6
M6 10 2 2,5 38 45 52
50
22 16 -
14,3 16 -
40 34 12 69,6
G1/8 M10 M12X1,25 -
7,6
M8 13 2 3 46,5 45 53
63
22 16 -
14 16 -
45 39 12 79,6
G1/8 M10 M12X1,25 -
7,6
M8 13 2 3 56,5 49 57
80
28 20 -
14,8 20 -
45 39 12 95,6
G1/8 M12 M16X1,5 -
7,7
M10 17 2 3 72 54 63,5
100
28 20 -
17,8 25 -
55 49 12 115,6
G1/8 M12 M16X1,5 -
8
M10 22 2 3 89 66,8 76,5
+ = add the stroke
1
= groove for sensor
SEO Version

Warning.

You are currently viewing the SEO version of !text.
It has a number of design and functionality limitations.


We recommend viewing the Flash version or the basic HTML version of this publication.

1...,143,144,145,146,147,148,149,150,151,152 154,155,156,157,158,159,160,161,162,163,...406
Powered by: Camozzi Pneumatics Inc.