NORTH AMERICAN CYLINDER & ACTUATOR CATALOG - page 154

The company reserves the right to vary models and dimensions without notice.
These products are designed for industrial applications and are not suitable for sale to the general public.
Compact and Short-Stroke Cylinders
2
NORTH AMERICAN CYLINDER & ACTUATOR CATALOG
>
Release 8.5
COMPACT AND SHORT-STROKE CYLINDERS
131
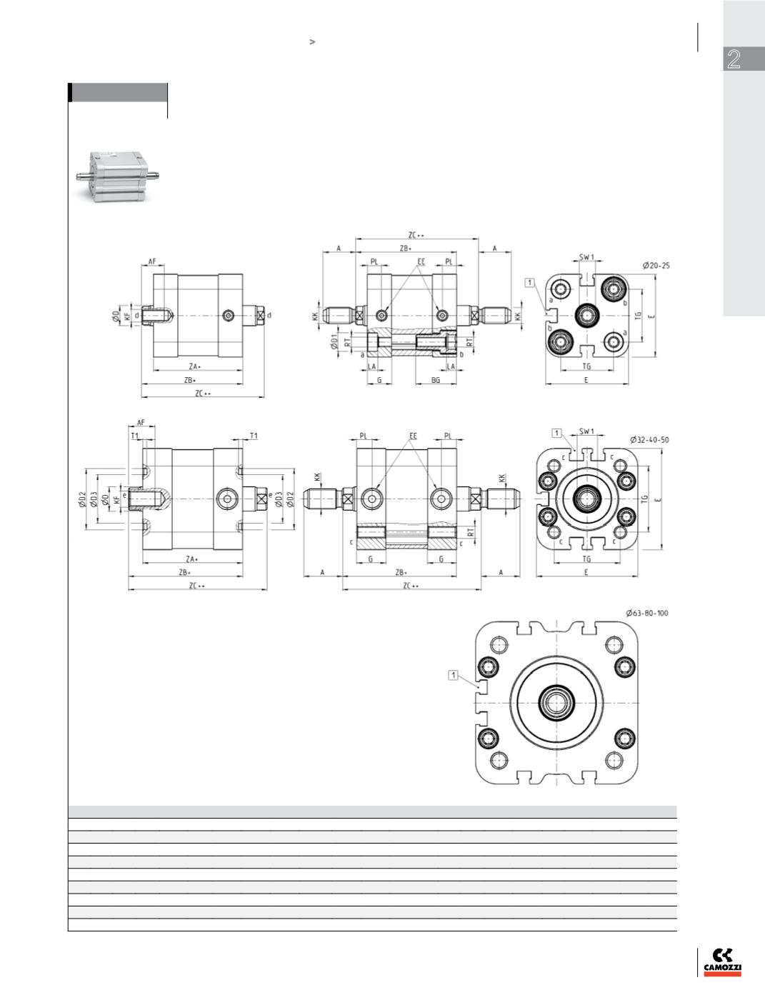
Compact magnetic cylinders Mod. 32F3 and 32M3
DIMENSIONS (mm)
Ø A AF BG G ØD ØD1 ØD2 ØD3 E EE KF
KK
LA PL RT SW1 T1 TG ZA ZB ZC
20
16 11 20 10,9 10 9
-
-
35,8
M5 M6 M8X1,25 5 6,5 M5
8
-
22 36,8 42,5 48,2
25
16 11 20 11,9 10 9
-
-
40,7
M5 M6 M8X1,25 5 7 M5
8
-
26 38,8 44,5 50,2
32
19 13 -
14,3 12
-
30 24 49,6
G1/8 M8 M10X1,25 -
7,6
M6 10 2 32,5 44 51 58
40
19 13 -
14,3 12
-
35 29
57
G1/8 M8 M10X1,25 -
7,6
M6 10 2 38 45 52 59
50
22 16 -
14,3 16
-
40 34 69,6
G1/8 M10 M12X1,25 -
7,6
M8 13 2 46,5 45 53 61
63
22 16 -
14 16
-
45 39 79,6
G1/8 M10 M12X1,25 -
7,6
M8 13 2 56,5 49 57 65
80
28 20 -
14,8 20
-
45 39 95,6
G1/8 M12 M16X1,5 -
7,7
M10 17 2 72 54 63,5 73
100
28 20 -
17,8 25
-
55 49 115,6
G1/8 M12 M16X1,5 -
8
M10 22 2 89 66,8 76,5 86,2
+ = add the stroke
++ = add the stroke two times
1
= groove for sensor
SEO Version

Warning.

You are currently viewing the SEO version of !text.
It has a number of design and functionality limitations.


We recommend viewing the Flash version or the basic HTML version of this publication.

1...,144,145,146,147,148,149,150,151,152,153 155,156,157,158,159,160,161,162,163,164,...406
Powered by: Camozzi Pneumatics Inc.