NORTH AMERICAN CYLINDER & ACTUATOR CATALOG - page 155

The company reserves the right to vary models and dimensions without notice.
These products are designed for industrial applications and are not suitable for sale to the general public.
COMPACT AND SHORT-STROKE CYLINDERS
Compact and Short-Stroke Cylinders
2
NORTH AMERICAN CYLINDER & ACTUATOR CATALOG
>
Release 8.5
132
Compact magnetic cylinders Mod. 32R
DIMENSIONS (mm)
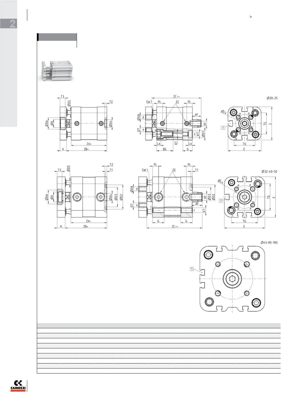
Ø AF BG G ØD ØD1 ØD2 ØD3 ØD4 ØD5 ØD6 D7 ØD8 E EE H KF LA ØL4 PL RT SW1 T1 T2 T3 TG ZA ZB ZC
20
11 20 10,9 10 9 -
-
9 6 -
M4 4 35,8 M5 8 M6 5 17 6,5 M5 8 - 2.5 -
22 36,8 42,5 48,2
25
11 20 11,9 10 9 -
-
9 6 14
M5 5 40,7 M5 8 M6 5 22 7 M5 8 - 2,5 6,5 26 38,8 44,5 50,2
32
13 - 14,3 12 -
30 24 9 6 17
M5 5 49,6 G1/8 10 M8 -
28 7,6
M6 10 2 2,5 6 32,5 44 51 58
40
13 - 14,3 12 -
35 29 9 6 17
M5 5 57 G1/8 10 M8 -
33 7,6
M6 10 2 2,5 6 38 45 52 59
50
16 - 14,3 16 -
40 34 12 10 22
M6 6 69,6 G1/8 12 M10 -
42 7,6
M8 13 2 3 7 46,5 45 53 61
63
16 -
14 16 -
45 39 12 10 22
M6 6 79,6 G1/8 12 M10 -
50 7,6
M8 13 2 3 7 56,5 49 57 65
80
20 - 14,8 20 -
45 39 12 12 24
M8 8 95,6 G1/8 14 M12 -
65 7,7
M10 17 2 3 10,5 72 54 63,5 73
100
20 -
18 25 -
55 49 12 12 24
M10 10 115,6 G1/8 14 M12 -
80 8
M10 22 2 3 10,5 89 66,8 77,5 86,2
+ = add the stroke
++ = add the stroke two times
1
= groove for sensor
SEO Version

Warning.

You are currently viewing the SEO version of !text.
It has a number of design and functionality limitations.


We recommend viewing the Flash version or the basic HTML version of this publication.

1...,145,146,147,148,149,150,151,152,153,154 156,157,158,159,160,161,162,163,164,165,...406
Powered by: Camozzi Pneumatics Inc.