NORTH AMERICAN CYLINDER & ACTUATOR CATALOG - page 287

The company reserves the right to vary models and dimensions without notice.
These products are designed for industrial applications and are not suitable for sale to the general public.
ROTARY ACTUATORS AND GRIPPERS
Rotary Actuators and Grippers
5
NORTH AMERICAN CYLINDER & ACTUATOR CATALOG
>
Release 8.5
264
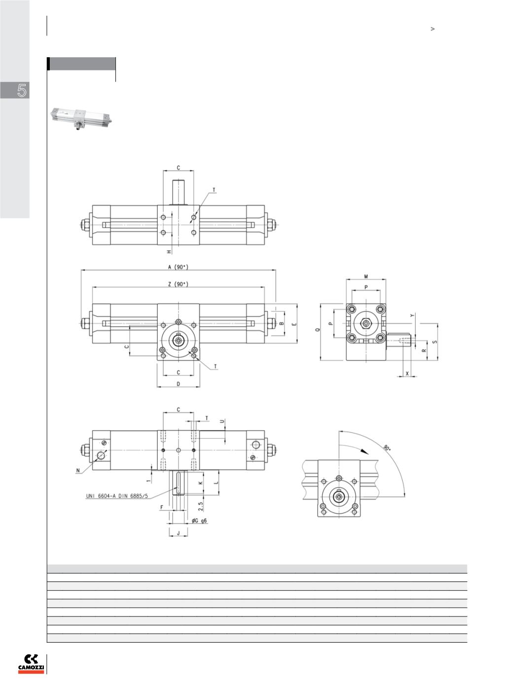
Cylinders Series 69 - male pinion
DIMENSIONS (mm)
Ø A B ٭
C D E F G H J K L M N P Q R S T U Y X Z
32
249 30 47 33 50 46 5 14 18 25 25 31 50
G1/8 32,5 71,5 25 46,5 M6 10 M5 12,5 219
40
295 35 56,5 40 60 55 5 14 22 25 25 31 60
G1/4 38
82
30 54,5
M6 10 M5 12,5 263
50
316 40 63 50 70 64,5 6 19 25 30 35 41 65
G1/4 46,5 94 32,5 60,5 M8 13 M6 16 282
63
357 45 74,5 60 75 75 8 24 35 30 35 41 75
G3/8 56,5 110 37 70,8 M8 13 M8 19 325
80
443 45 99 80 99 93 8 28 50 45 45 51 99
G3/8 72 142 50 93,5 M10 16 M8 19 404
100
472 55 107 80 115 110 10 38 60 50 45 51 115
G1/2 89 156,5 54 99 M10 16 M10 22 434
125
549 60 132 90 125 135 10 38 70 60 45 51 140
G1/2 110 188 60 118 M12 20 M10 22 505
*
increase in “A” and “Z” for each 90° of rotation
SEO Version

Warning.

You are currently viewing the SEO version of !text.
It has a number of design and functionality limitations.


We recommend viewing the Flash version or the basic HTML version of this publication.

1...,277,278,279,280,281,282,283,284,285,286 288,289,290,291,292,293,294,295,296,297,...406
Powered by: Camozzi Pneumatics Inc.