NORTH AMERICAN CYLINDER & ACTUATOR CATALOG - page 288

The company reserves the right to vary models and dimensions without notice.
These products are designed for industrial applications and are not suitable for sale to the general public.
Rotary Actuators and Grippers
5
NORTH AMERICAN CYLINDER & ACTUATOR CATALOG
>
Release 8.5
ROTARY ACTUATORS AND GRIPPERS
265
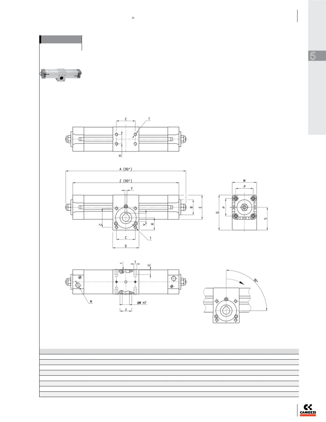
Cylinders Series 69 - female pinion
DIMENSIONS (mm)
Ø A B ٭
C D E F H J
M N
P
Q R S
T
U V W Z
32
249 30 47 33 50
46 5 18 25 50
G1/8 32,5 71,5
25 46,5
M6 10 16,3 14 219
40
295 35 56,5 40 60
55 5 22 25 60
G1/4 38
82
30 54,5
M6 10 16,3 14 263
50
316 40 63 50 70 64,5 6 25 30 65
G1/4 46,5
94
32,5 60,5
M8 13 21,8 19 282
63
357 45 74,5 60 75
75 6 35 30 75
G3/8 56,5 110
37 70,8
M8 13 21,8 19 325
80
443 45 99 80 99
93 8 50 45 99
G3/8 72
142
50 93,5
M10 16 27,3 24 404
100
472 55 107 80 115 110 8 60 50 115
G1/2 89 156,5 54
99
M10 16 31,3 28 434
125
549 60 132 90 125 135 8 70 60 140
G1/2 110
188
60
118
M12 16 31,3 28 505
*
increase in “A” and “Z” for each 90° of rotation
SEO Version

Warning.

You are currently viewing the SEO version of !text.
It has a number of design and functionality limitations.


We recommend viewing the Flash version or the basic HTML version of this publication.

1...,278,279,280,281,282,283,284,285,286,287 289,290,291,292,293,294,295,296,297,298,...406
Powered by: Camozzi Pneumatics Inc.