NORTH AMERICAN CYLINDER & ACTUATOR CATALOG - page 296

The company reserves the right to vary models and dimensions without notice.
These products are designed for industrial applications and are not suitable for sale to the general public.
Rotary Actuators and Grippers
5
NORTH AMERICAN CYLINDER & ACTUATOR CATALOG
>
Release 8.5
ROTARY ACTUATORS AND GRIPPERS
273
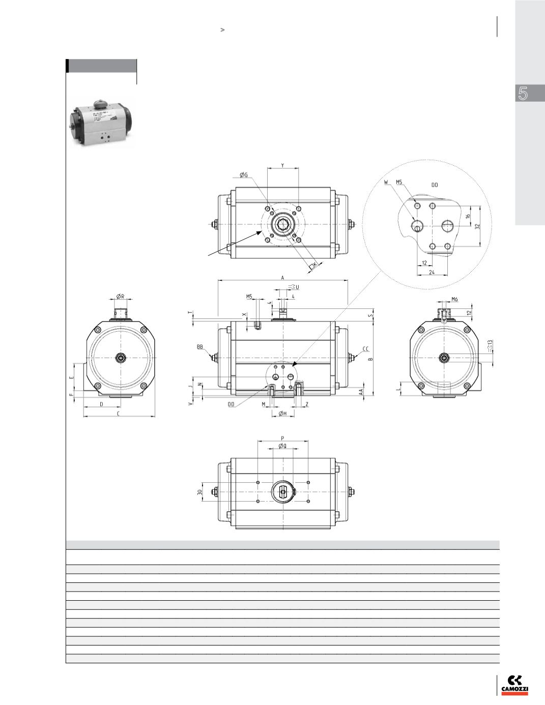
Rotary actuators Series ARP - Sizes from 001 to 150
NOTE TO THE TABLE:
*
ARP-003-... also available with double drilling ISO
F03/F05 and square key K of 9 mm
**
DA = double-acting - SA = single-acting
Mod.
ISO A B C D E F ØG ØH ØJ K L M N P ØQ ØR S T U V W X Y Z AA BB CC Weight (Kg)
DA / SA **
ARP-001-...
F03 103 45 51 28,5 -
-
36 25 22,5 9 12
M5 8 80 22,4 16 20 4,5 11,5 2 G1/8 5 -
-
- -
-
0,6 / -
ARP-003-...
F04* 149,5 70 69,5 38 49 10,5 36 -
23 11 12
M5 8 80 32 20 20 4,5 11,5 - G1/8 8 35,3 -
- - 4 1 / 1,1
ARP-005-...
F05-F07 186,5 87 90,5 49 49 22 50 35 34,5 14 15 M6 10 80 32 20 20 4,5 11,5 2,6 G1/8 8 49,5 M8 13 - 4 1,8 / 1,9
ARP-010-...
F05-F07 206 118 113 59 43 8 50 35 29,5 14 15 M6 10 80 32 20 20 4,5 11,5 2,9 G1/8 8 49,5 M8 13 -
-
2,8 / 2,9
ARP-012-...
F05-F07 206 118,5 120,2 66 43 8 70 55 29,5 17 20 M8 14 80 46 20 20 6 11,5 3 G1/4 6 107 M6 12 - 6 4,1 / 4,7
ARP-020-...
F07 224 140,5 136,5 72 43 8 70 55 29,5 17 20 M8 14 80 50 32 20 6,5 19 3 G1/4 6 107 M6 14 - 8 6,3 / 7
ARP-035-...
F07-F10 270 166,5 156 78 43 8,5 102 70 31 22 25 M10 17 80 61 32 20 6,5 19 2,5 G1/4 6 161 M6 12 - 8 10,5 / 12
ARP-055-...
F12 312 207,5 192,5 95,5 43 20,5 125 85 42 27 30 M12 20 130 61 40 30 7,5 25,4 2,5 G1/4 6 161 M8 16 10 10 18,2 / 20,6
ARP-070-...
F12 358 215,8 198,3 99,3 49 19,3 125 85 45,8 27 30 M12 20 130 72 40 30 6,8 25,4 3 G1/4 6,5 213 M8 12 10 10 20,4 / 24,1
ARP-100-...
F14 366 254 227 113,5 43 39,5 140 100 61 36 40 M16 25 130 78 40 30 6,7 25,4 3 G1/4 6 213 M10 15 12 12 31,2 / 35,8
ARP-150-...
F14 394 304 280 140 48,5 51,5 140 100 76 36 40 M16 25 130 78 40 30 6,7 25,4 3 G1/4 6 244 M8 22 12 12 44,4 / 52,8
BB = end-stroke regulation on the end cap
CC = end-stroke regulation on the end cap
DD = solenoid mounting/Namur Interface, according to Namur
VDI/VDE 3845
ISO 5211 interface
(
expanded
view)
SEO Version

Warning.

You are currently viewing the SEO version of !text.
It has a number of design and functionality limitations.


We recommend viewing the Flash version or the basic HTML version of this publication.

1...,286,287,288,289,290,291,292,293,294,295 297,298,299,300,301,302,303,304,305,306,...406
Powered by: Camozzi Pneumatics Inc.